ジェスチャーで操作可能な時計
初めに
ジェスチャーセンサを利用して直接触ることなく手の動きによって時間の設定などが可能な時計を作製しました。
実際の時計の動作は以下の通りです。
ジェスチャーセンサについて
秋月電子のAPDS9960ジェスチャーセンサモジュールを利用してジェスチャーによる操作を行います。
このセンサはLEDと上下左右の4つ分の受光器によって動きの検知を行うことができます。
センサの出力はI2C出力されるので今回はこれをSTM32G031というマイコンでデータの取得を行い時計の入力インタフェースにしました。
使用した部品
主要部品
・STM32G031J6M6 https://akizukidenshi.com/catalog/g/gI-15688/
・APDS9960使用光学式ジェスチャーセンサモジュールキット https://akizukidenshi.com/catalog/g/gK-09754/
・LCDモジュール 16×2行 AQM1602Y-RN-GBW https://akizukidenshi.com/catalog/g/gP-11916/
・I2C接続RTC(リアルタイムクロック)DS1307ZN+T&R https://akizukidenshi.com/catalog/g/gI-06950/
・クリスタル(水晶発振子) 32.768kHz https://akizukidenshi.com/catalog/g/gP-04005/
その他部品
・三端子レギュレータ(5 V→3.3 V)
・抵抗 10 kΩ
・コンデンサ0.1 uF, 10 uF
・ボタン電池,電池ホルダー
・電池,電池ボックス
・ユニバーサル基板
・スイッチ
・配線材
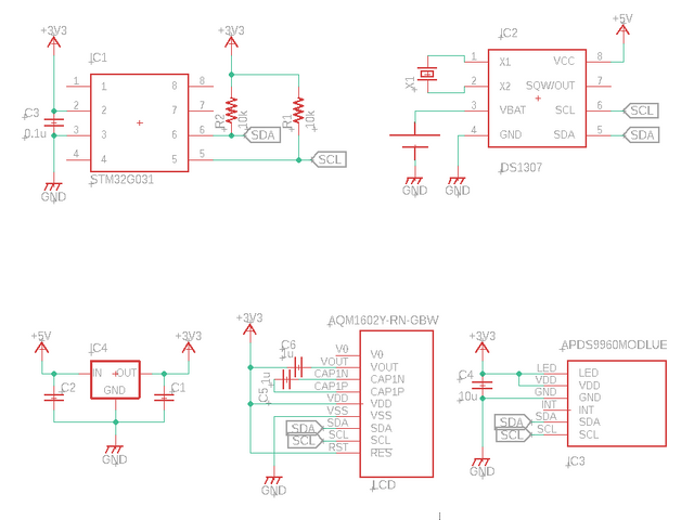
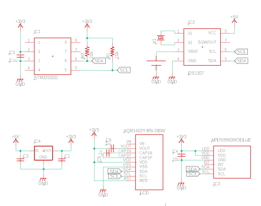
回路図
RTC,LDC,ジェスチャーセンサは全てI2C接続ができるデバイスなので、STM32G0をマスターとしてひとつのバスに接続します。
プログラムについて
実際に利用したコードはgithubに上げています。
https://github.com/mmaakkyyii/stm32g0_clock/blob/main/Core/Src/main.c
STM32CubeIDEからプロジェクトを読み込んで書き込めるようになっています。


-
mmaakkyyii
さんが
2020/12/27
に
編集
をしました。
(メッセージ: 初版)
-
mmaakkyyii
さんが
2020/12/27
に
編集
をしました。
ログインしてコメントを投稿する