はじめに
気軽に使える直流両電源を製作しました。中点電位を出力できるので、 オペアンプ回路などの実験に適しています。3端子レギュレータICを使ったごく簡単なものですので、電子工作の入門におすすめです。
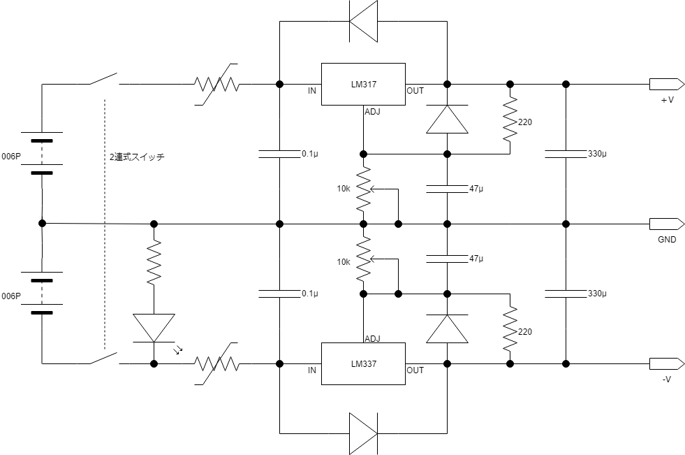
回路構成
有名な可変型3端子レギュレータICであるLM317とLM337を使用しました。出力電圧は220Ωの抵抗と10kΩの可変抵抗の設定値Rの比で以下のように定まります。は常温では50μA程度です。
ダイオード(1N4002)はスイッチを切った際にキャパシタに溜まった電荷がICへ逆流するのを防ぐためのものです。念のため、ICの入力に電流制限のためのポリスイッチを付けていますが、IC自体に電流制限機能が内蔵されているため省略しても問題無いかもしれません。
製作
ユニバーサル基板の実体配線は以下の通りです。パターンはmarmeloというソフトで作成しました。
材料はほぼ全て秋葉原のaitendoにて2000円しない程度で購入しました。基板はaitendoで販売されているプラケースの中に収めました。両面ユニバーサル基板の上にヒートシンクを載せる際にヒートシンクで回路が短絡してしまったため、ヒートシンクを若干浮かせて搭載しています。006Pはピンヘッダとスポンジで動かないように固定します。
上から見るとLEDインジケータを確認できます。
改善点
安物の可変抵抗器を使ったこともあり、ドリフトによって設定電圧が時間とともに少しずつ変化してしまいます。
ドリフト対策として10kΩの可変抵抗と並列に10kΩ程度の抵抗を接続することで可変抵抗の素子感度を落とす方法があります。
2
投稿者の人気記事



-
karasumi
さんが
2021/02/27
に
編集
をしました。
(メッセージ: 初版)
-
karasumi
さんが
2021/09/17
に
編集
をしました。
-
karasumi
さんが
2021/12/07
に
編集
をしました。
-
karasumi
さんが
2022/03/04
に
編集
をしました。
ログインしてコメントを投稿する