uchan が 2022年11月17日16時26分38秒 に編集
初版
タイトルの変更
負荷が軽いとは負荷抵抗が小さいこと?
タグの変更
負荷抵抗
オペアンプ
記事種類の変更
セットアップや使用方法
本文の変更
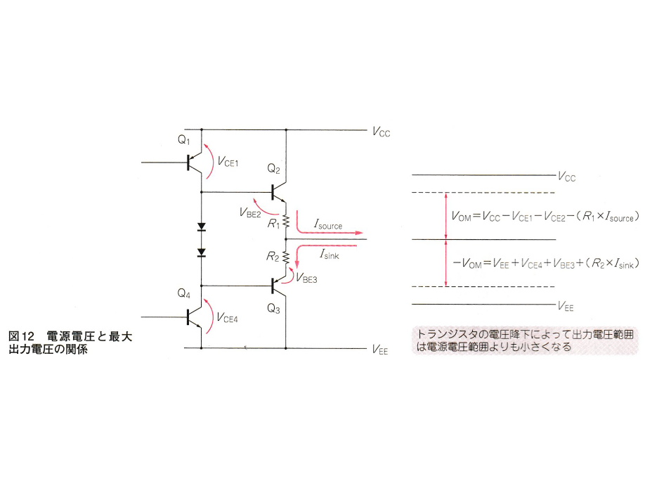
電子回路によく「負荷抵抗」や、単に「負荷」という言葉が良く出てきます。関連して「負荷が軽い」や「負荷が重い」という表現も良く見ます。負荷が軽いと言った場合、それは負荷抵抗が小さいことを意味するのでしょうか。大きいことを意味するのでしょうか。この記事ではアンケートや文献の調査を行い、人々がどんなイメージを抱くのかを調査しました。 結論としては人によってイメージが異なることが分かりました。誤って伝わる可能性のある「負荷が軽い」というような表現の代わりに「負荷抵抗が大きい(小さい)」とか「負荷電流が少ない(多い)」と表現した方が良いかもしれません。 ## 記事を書いたきっかけ トランジスタ技術 2022 年 12 月号の「特集 できるぞ!令和のアナログ回路設計」を読んでいたときのことです。p.56に次のような記述がありました。 > 図 12 においては,電源電圧 $V_\mathrm{CC}$ に対して $Q_\mathrm{1}$ のコレクタ-エミッタ間電圧 $V_\mathrm{CE}$ と $Q_\mathrm{2}$ のベース-エミッタ間電圧 $V_\mathrm{BE}$ のぶんだけ低い電圧となり,さらに出力電流が流れることで $R_\mathrm{1}$ による電圧降下の影響も受けます. > また,最大出力電圧は,図 13 に示すように負荷の大きさによっても変化します.これは負荷が軽くなることで出力電流が上昇し,その電流の増加ぶんだけ抵抗での電圧降下が大きくなるためです. ここに登場する「負荷が軽くなることで出力電流が上昇し」の表現が逆じゃないかと思ったのが発端です。正確な議論のために図 12 と図 13 が必要なので、それらも引用します。  図 12 はオペアンプの出力段の等価回路です。 $R_\mathrm{1}$ と $R_\mathrm{2}$ の接続点がオペアンプの出力であり、電流が出たり($I_\mathrm{source}$)吸い込まれたり($I_\mathrm{sink}$)します。記事本文にある通り、出力電流が増える($I_\mathrm{source}$ が増える)と $R_\mathrm{1}$ による電圧降下が増加し最大出力電圧が低下しますね、というお話です。ここまでの記述には全く違和感がありません。  図 13 はオペアンプの出力に接続された負荷抵抗の値と最大出力電圧の関係を表します。グラフの左側に行くほど負荷抵抗の抵抗値が小さく(短絡に近く)なります。抵抗値が小さくなるほど($R_\mathrm{1}$ による電圧降下が増加するため)最大出力電圧が低下することを表しています。先ほどと同じことを言っているだけです。グラフ自体に違和感ありません。 違和感を感じたのはグラフの注釈です。負荷抵抗の値が小さくなることを「負荷が軽くなる」、負荷抵抗の値が大きいことを「負荷が重い」と表現している部分です。逆じゃないの?と思うのです。皆さんはどちら派ですか? ## アンケート調査 負荷が軽い=負荷抵抗が小さい派も意外といらっしゃるかもしれないと思ってアンケートをした結果が下図です。  一定数いる位かと思ったら、むしろそっちの派閥が多数派のようでびっくりしているところです。10 票くらいの頃は 1:2 の割合でした。1000 票あたりでほぼ 1:1 になりましたが、今はまた後者が多くなっています。 大元のツイートは[こちら](https://twitter.com/uchan_nos/status/1592980298723364864?s=20&t=dK4ribyZTjBbL9eiJ1TqWw)です。引用リツイートやリプライを見ていくと、様々な意見を見ることができます。興味ある方は追いかけてみてください。 ## 負荷が軽い=抵抗値が大きい派 私はこちらの派閥です。「負荷」というのを、回路にかかるダメージ量的な感じで捉えています。例えば電源装置に対して大電流が流れる負荷(0.1Ω抵抗とか)を接続した場合に負荷が重いなあと感じ、あまり電流が流れない負荷(100kΩ抵抗とか)を接続した場合は負荷が軽いなあと感じます[^resistance-is-example]。あるいは、コンセントに何も繋がっていない状態が「最も負荷が軽い」状態で、電気機器をどんどん刺していくにしたがって「負荷が重く」なるとも言えます。たこ足配線を見ると「わあ、重い負荷だ」と思うわけです[^heavy-load]。 [^resistance-is-example]: もちろん抵抗値は単なる例です。無条件に「1Ω抵抗は重い負荷だ」と言っているわけではなく、1kΩ抵抗と比べて重い負荷である、ということです。 [^heavy-load]: それぞれの電気機器を詳しく調べると、どれもほとんど電気を食わないことが判明し、「なーんだ、大した負荷ではなかったな」となることももちろんあります。 「負荷」は基本的に電力を消費するものを指すと思っています[^capacitance]。そして、負荷が重い/軽いというのは電力消費が大きい/小さいことだと思っています。低消費電力な負荷=軽負荷ということです。抵抗器で消費する電力は $P=\frac{V^2}{R}$ ですから、電圧 $V$ が一定という条件のもとでは、抵抗値が 2 倍になると消費電力は 1/4 になります。だから、負荷が軽い=抵抗値が大きい、となります。 [^capacitance]: 容量性の負荷みたいな、真の意味では電力を消費しない負荷も考えられるかもしれません。その意味で「基本的に」と書いています。 この派閥の立場に合致する記事として次のような記事がありました。 - [DC/DCコンバータは、なぜ軽負荷時に不安定になるのか? | アナログ・デバイセズ](https://www.analog.com/jp/education/landing-pages/003/bbs/bbs_03.html) - [負荷が重くて、VCE(sat)が設計値まで下がりません。何を考えたらよいですか? | 東芝デバイス&ストレージ株式会社 | 日本](https://toshiba.semicon-storage.com/jp/semiconductor/knowledge/faq/mosfet_bias-resistor-built-in-transistors-brt/if-the-vce-sat-of-a-bias-resistor-built-in-transistor-brt-does-not-drop-to-the-design-target-because-of-a-heavy-load-what-can-I-do.html) - [電気電子系よもやま:負荷が重いとは](http://blog.livedoor.jp/night_169-rhyme/archives/38926591.html) - [# コラム: インピーダンスの話 タックシステム株式会社](https://www.tritech.tv/column/600ld.html) ## 負荷が軽い=抵抗値が小さい派 トランジスタ技術の記事がこちらの派閥です。Twitter 上で何人かの意見を読んだ感じ、こちらの派閥の方々は「電流が流れにくい」ことを負荷が「重い」というニュアンスで捉えている方が多いようです。電圧=電子を押し出す力だとすると、負荷抵抗が高ければ電子をなかなか押し出せないため「負荷が重い」と感じるようです。 この派閥の方々の気持ちを理解したいので、こんな思考実験をしてみます。 - 電源回路君がいます。この電源君は、出力端子から 1A を出したくてうずうずしています。 - 負荷に高い抵抗値(仮に 1000Ω とする)を持つ負荷を接続した場合、1A を出すためには高い電圧(1000V)を発生させなければなりません。 - 相当がんばらないといけないので、電源君にしてみれば「負荷が重い」なあと感じます。 - 次に出力端子に 1Ω の負荷を接続してあげました。 - 電源君は 1V を出すだけで楽に 1A を流すことができ、「なんだか今日の負荷は軽いなあ♪」と思いました。 この状況設定であれば、負荷が軽いことと抵抗値が低いことは同義でしょう。分野によっては電流を第一に考える場合があり、そういう方々はこのように考えるということなのでしょうか?一人一人インタビューしているわけではありませんが、制御が専門という方はこのような意見を書いていました。 [@maeken2009](https://twitter.com/maeken2009/status/1593109232676929536?s=20&t=UP5HZMSXheCEnyZ4MFU3-A) >「単位電流を流すのに必要な電圧の高さ」で負荷の軽重をイメージしている これは先ほどの状況設定と同じ方向性のご意見ですね。電流を基準とする分野では違和感の無い表現なのかもしれません。 この派閥の立場に合致する電子回路に関する記事は、当該のトランジスタ技術の記事以外では見つけられませんでした。おそらくこれは私が色眼鏡をかけているせいですので、何か記事をご存じの方はぜひぜひこの記事のコメント欄で教えてください。記事に追記しようと思います。 ## 文脈に依るという意見 電流駆動の回路を考えると、抵抗値が低い方が低電圧で所望の電流を流せるため消費電力は低減する、すなわち軽い負荷である、という意見をいただきました。確かに $P=I^2R$ ですから、電流を固定すると抵抗値が低い方が軽い負荷であるというのも納得です。違和感ありません。 このご意見でも「消費電力が小さい」ものを「軽い負荷」と主張している点で、私の考えと一致しています。この意見に沿って考えると、トランジスタ技術の記事はオペアンプ回路、すなわち電圧駆動回路ですので、負荷抵抗の値が小さい方が「軽い負荷」であると言えるはずです。オペアンプは入力の「差電圧」を製品固有の増幅率で増幅して出力する素子です。制御対象は電圧なのです。