ロジックICなどで構成した 7セグメントLEDダイナミック点灯回路です。
別途試作したデジタル時計モジュールから出力される時刻データ (BCD) を表示させるために試作したものですが、一般的な 7セグメントLEDダイナミック点灯に応用できます。
この記事は「meyon's STUDY」に投稿した記事の抜粋です。
回路図
クロック発振回路
デジット切り換えのためのクロックを発振します。発振周波数は約840Hz。シュミットトリガインバータ 74HC14を使用しています。
6進カウンタ回路
7セグメントLED 6桁を制御するための 0x0~0x5 の 6進アドレス信号を生成します。4ビット同期カウンタ 74HC161Aを使用した 6進カウンタです。
(2025/12/12 追記) midoriiさまからご指摘をいただきました。
カウンタ74HC161Aの¬(CLR)はアクティブローですのでGNDに接続するのは間違いです。¬(RESET)もしくは+5Vに接続してください。ご指摘ありがとうございました。
初期化回路
シュミットトリガインバータ 74HC14を使用したタイマ回路で、電源オン後約 2秒間、7セグメントLEDの全セグメントを点灯させます。
ブランキング信号発生回路
デジット切り換え時のゴーストを消すためのブランキング信号発生回路です。7セグメントLEDの輝度調整も行ないます。オペアンプ LM358、コンパレータ LM2903を使用します。
7セグメントLED 表示回路
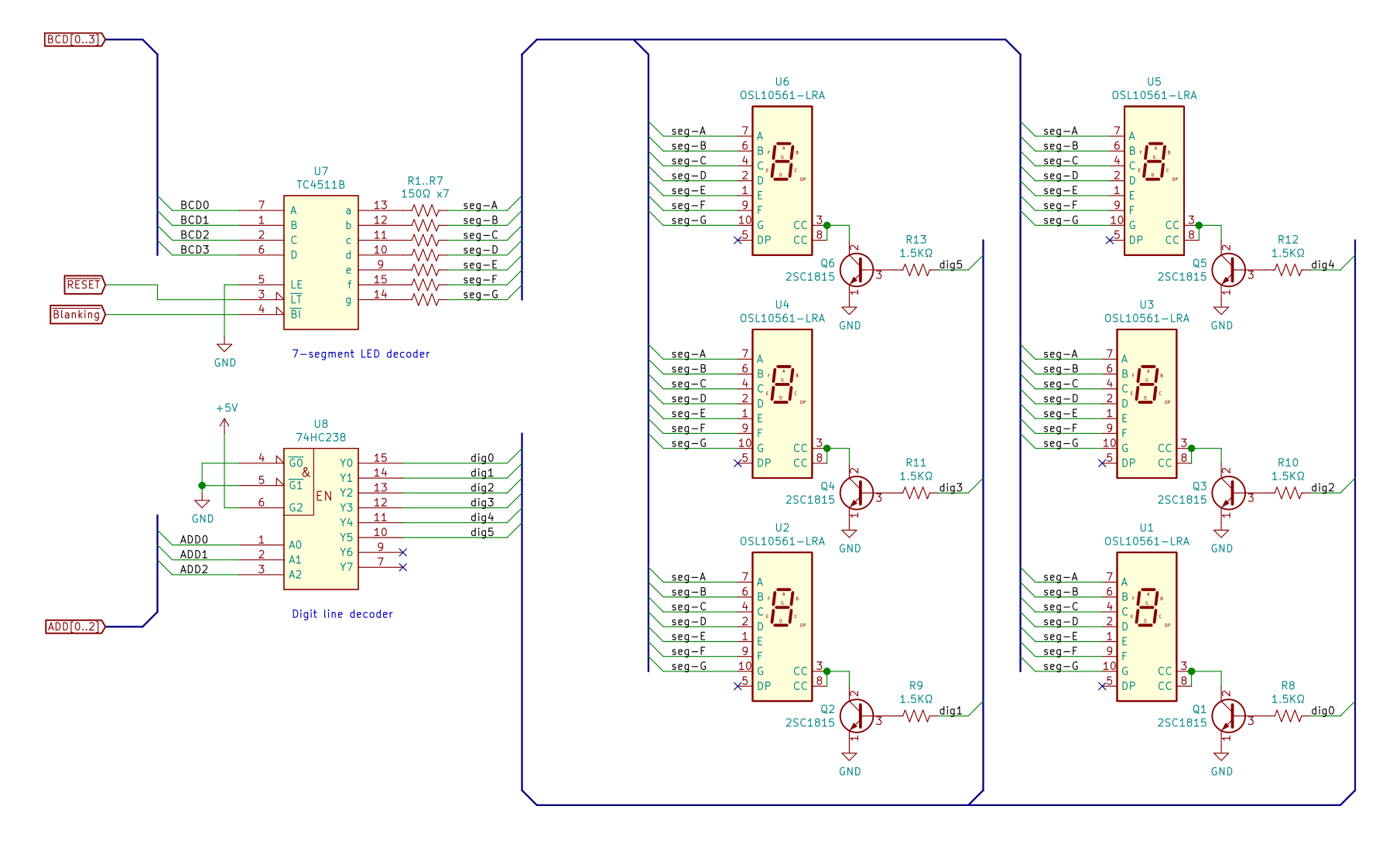
6桁 7セグメントLEDの表示制御回路です。デジット制御に 3to8ラインデコーダ 74HC238、セグメント制御に 7セグメントLEDデコーダ TC4511Bを使用しています。
LED ドライバ回路
午後表示と区切りコロン表示のためのLED駆動回路です。ブランキング信号で輝度調整を行ないます。
入力切り換え回路
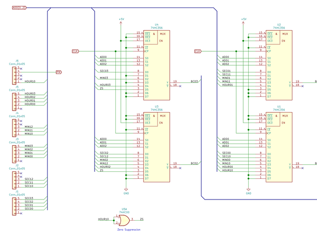
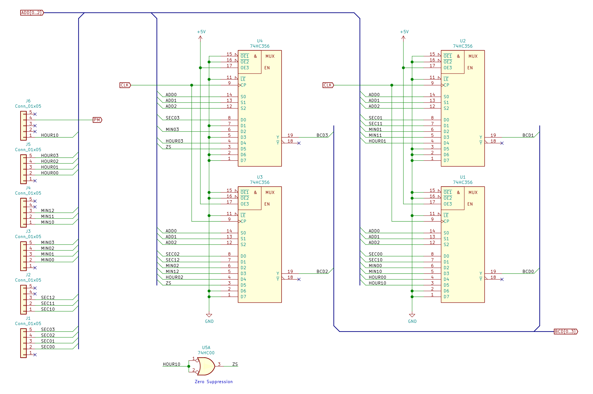
時計モジュールからのBCDデータを、デジット切り換えに合わせて切り換える回路です。マルチプレクサ 74HC356を使用しています。
試作ブレッドボード
投稿者の人気記事





-
meyon230
さんが
2023/07/03
に
編集
をしました。
(メッセージ: 初版)
-
meyon230
さんが
2023/11/01
に
編集
をしました。
(メッセージ: URL変更)
-
meyon230
さんが
2023/11/01
に
編集
をしました。
(メッセージ: リンク先URL変更)
Opening
midorii
前の金曜日の9:01
meyon230
前の金曜日の23:45 -
meyon230
さんが
前の金曜日の23:50
に
編集
をしました。
ログインしてコメントを投稿するこんにちは。6進カウンタ回路図の74HC161AのCLRピンが0Vに繋がってるのは間違いのような気がする。
midoriiさま
ご指摘ありがとうございます。
おっしゃるとおり、¬(CLR)ピンはアクティブローですので、GNDに接続するのは間違いです。もしこの回路をご利用になられるなら、¬(RESET)に接続するのが良いと思います。