はじめに
はんだごて切り忘れ装置としては、自動で電源を切ることのできるタイマーを用いたものがある。確実に電源を切ることができる反面、長時間のはんだ付けを行う場合は、何度もタイマーのセットし直しを行うか、長時間のタイマー設定にするかの2択を選ぶ必要があり一長一短がある。
そこで、人が近くで作業している動作、もしくは、はんだごてをホルダーに出し入れする動作を焦電センサで検知し、どちらの動作も無くなってから一定時間(本製作例では20分)経過するとブザーが鳴り、切り忘れを報知する装置を作製した。
なお、静置したはんだごてによって温められた空気のゆらぎなどで、焦電センサが動作した場合に備え、ウォッチ・ドッグ・タイマー的に一定時間(本製作例では60分)経過するとブザーが鳴る様にして、安全性の向上を図った。
主な部品
・タイマーIC 555×2個
・焦電センサ AKE-1×1個 秋月電子で購入
・2回路入り汎用オペアンプ LM358×1個
・小信号ショットキーバリアダイオード 例えば1SS106×1個
・三端子レギュレータ7808×1個(ブザー音を大きくするため8V設定。7805でも可)
・ブザー(他励式)×1個
その他、ACアダプター、節電タップ、トランジスタ、抵抗、コンデンサ、発光ダイオード、ICソケットなど
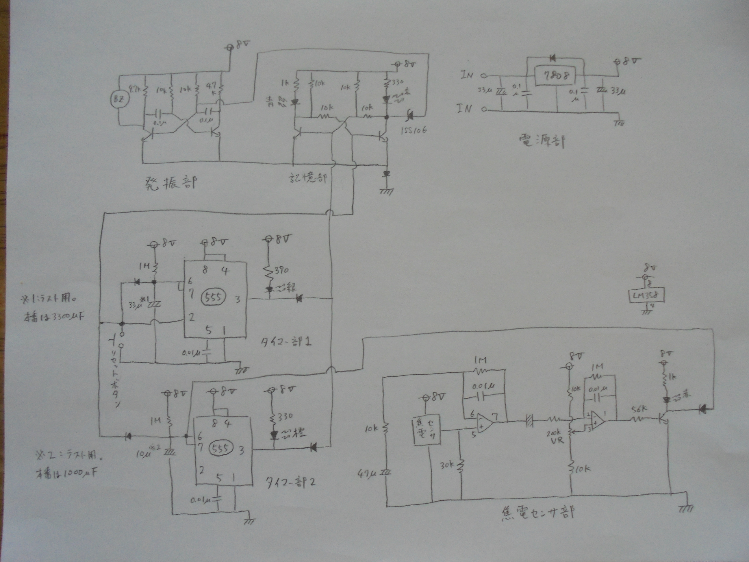
回路図
各部の説明
1.焦電センサ部
オーソドックスな焦電センサの増幅回路を使用。
赤外線の変化(=人の動き、はんだごての動き)を検知するとオペアンプの出力(LM358の1番ピン)がハイになり、接続したトランジスタのコレクタはローになる。
2.タイマー部1
ウォッチドッグタイマー的なタイマー。2番ピンをローにしてから60分後に3番ピンがローになる様に製作。単安定マルチバイブレータ動作を使用。6・7番ピンに接続している高抵抗を10MΩと極端に高くすると、漏れ電流のせいかいつまで待っても3番ピンがローにならないため、1MΩとしている。リセットンボタンを押すと、6・7番ピンに接続された電解コンデンサの電荷が放電され、2番ピンがローになり60分のタイマー動作が始まる。
3.タイマー部2
焦電センサが赤外線の変化を検知しなくなってから20分後に3番ピンがローになる様に製作。焦電センサが赤外線の変化を検知すると、6・7番ピンに接続された電解コンデンサの電荷が放電され、再度20分のタイマー動作が始まる。
4.発振部
無安定マルチバイブレータでブザーを鳴らす。オシロスコープで見ると、ほぼ0V~8Vのフルスイングの矩形波で発振している。どちらかのトランジスタのベースをローにすると発振が止み、ブザー音も消える。ただし、記憶部のローを通常のダイオードで接続して、トランジスタのベースを0.6V程度にしても発振は止まないため、ショットキーバリアダイオードで接続する必要がある。
5.記憶部
双安定マルチバイブレータで状態を記憶。タイマー1、2のどちらかがローならブザーが鳴る様に、ダイオードで「OR」回路を作製。74シリーズのロジックICを使っても良いと思うが、故障し難さを考慮した。なお、発振部と記憶部のマイナスはダイオードを繋いで0.6V程度浮かしています。これを行わないと、555による記憶部のSET/RESETができません。
6.電源部
ブザー音を大きくするため8Vとした。5Vでも可。
使い方
節電タップを用い、手元ではんだごてとはんだごて切り忘れ回路のON/OFFができるようにしてある。節電タップのボタンをONにすると回路のLEDが光り、ブザーが鳴るので、リセットスイッチを押す。これによりタイマー動作が開始する。あとは、ブザーが鳴ったら、リセットボタンを押してタイマー延長しながら使用。使用後は、節電タップのボタンをOFFにする。
ー以上ー

-
H
さんが
2020/05/02
に
編集
をしました。
(メッセージ: 初版)
-
H
さんが
2020/05/02
に
編集
をしました。
(メッセージ: タグ変更)
Opening
mac
2020/05/02
H
2020/05/02 -
H
さんが
2020/05/03
に
編集
をしました。
(メッセージ: 記憶部等に繋いだダイオードの意味追加)
ログインしてコメントを投稿するmacと申します。
私もPICでいわゆるデッドマンスイッチを作り使っています。20分以内にSWを押さないと電源が切れます。面倒ですがこれに何度か助けられました。最近物忘れが多く困ったものです。
Hです。
焦電センサ部以外は、PICをはじめとするマイコンの出番だな、と思いつつ、プログラムが苦手なもので555をメインに作りました。本当はマイコンを覚えたいのですが、結構いろんなことが555で解決できるので、覚えられずにいます。