光を使った目覚まし時計を作る
M5Stackを使って、光で起こしてくれる目覚まし時計を作ります。
*
必要な材料
パワーLED OSR5XNE3C1S
https://akizukidenshi.com/catalog/g/gI-07485/
MOSFET 2SK4017(Q)
https://akizukidenshi.com/catalog/g/gI-07597/
そのほかに
ブレッドボード用2.1mmDCジャック、DC電源5V2A
あと、ユニバーサル基板と抵抗を少々
まずは光らせてみる!
Lチカ
void setup() {
pinMode(2,OUTPUT);
}
void loop() {
digitalWrite(2,HIGH);
delay(1000);
digitalWrite(2,LOW);
delay(1000);
}
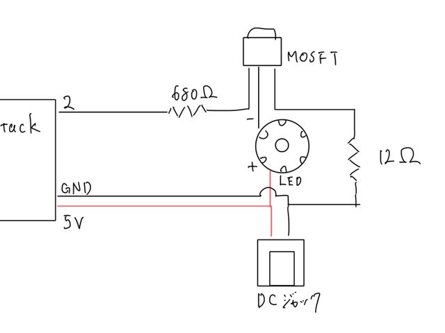
ユニバーサル基板にはんだ付けする
さてここまでで、ハードの動作確認はすべて終了しました。
次に、M5Stackに取り付けられるようにユニバーサル基板にはんだ付けしましょう!
絶対にマネしないでください
完成図です
回路はさっきと同じです。M5Stackに取り付けられるようピンヘッダを付けました。
つぎにプログラムを仕込んでいきます。
M5Stackに、いいスケッチ例があったのでそれを改造して使いました。
また、Wifiから時間を取得できるように改造してあります。SSID,Passと時刻を設定して書き込みましょう!
#include <M5Stack.h>
#include <WiFi.h>
#define TFT_GREY 0x5AEB
#include "time.h"
const char* ssid = "";
const char* password = "";
const uint8_t thh = 13;//設定したい時刻 時
const uint8_t tmm = 3;//設定したい時刻 分
const char* ntpServer = "ntp.nict.jp";
const long gmtOffset_sec = 3600 * 9;
const int daylightOffset_sec = 0;
uint32_t targetTime = 0; // for next 1 second timeout
static uint8_t conv2d(const char* p); // Forward declaration needed for IDE 1.6.x
uint8_t hh = conv2d(__TIME__), mm = conv2d(__TIME__ + 3), ss = conv2d(__TIME__ + 6); // Get H, M, S from compile time
byte omm = 99, oss = 99;
byte xcolon = 0, xsecs = 0;
unsigned int colour = 0;
void setup() {
M5.begin();
// put your setup code here, to run once:
WiFi.begin(ssid, password);
while (WiFi.status() != WL_CONNECTED) {
delay(500);
M5.Lcd.print(".");
}
M5.Lcd.println(" CONNECTED");
configTime(gmtOffset_sec, daylightOffset_sec, ntpServer);
printLocalTime();
delay(10000);
pinMode(2, OUTPUT);
M5.Lcd.fillScreen(TFT_BLACK);
M5.Lcd.setTextSize(1);
M5.Lcd.setTextColor(TFT_YELLOW, TFT_BLACK);
targetTime = millis() + 1000;
WiFi.disconnect(true);
WiFi.mode(WIFI_OFF);
}
void loop() {
M5.update();
if (M5.BtnB.wasReleased()) {
digitalWrite(2,LOW);
}
if (targetTime < millis()) {
// Set next update for 1 second later
targetTime = millis() + 1000;
// Adjust the time values by adding 1 second
ss++;
// Advance second
if (ss == 60) { // Check for roll-over
ss = 0; // Reset seconds to zero
omm = mm; // Save last minute time for display update
mm++; // Advance minute
if (mm > 59) { // Check for roll-over
mm = 0;
hh++; // Advance hour
if (hh > 23) { // Check for 24hr roll-over (could roll-over on 13)
hh = 0; // 0 for 24 hour clock, set to 1 for 12 hour clock
}
}
}
// Update digital time
int xpos = 0;
int ypos = 85; // Top left corner ot clock text, about half way down
int ysecs = ypos + 24;
if (omm != mm) { // Redraw hours and minutes time every minute
omm = mm;
// Draw hours and minutes
if (hh < 10) xpos += M5.Lcd.drawChar('0', xpos, ypos, 8); // Add hours leading zero for 24 hr clock
xpos += M5.Lcd.drawNumber(hh, xpos, ypos, 8); // Draw hours
xcolon = xpos; // Save colon coord for later to flash on/off later
xpos += M5.Lcd.drawChar(':', xpos, ypos - 8, 8);
if (mm < 10) xpos += M5.Lcd.drawChar('0', xpos, ypos, 8); // Add minutes leading zero
xpos += M5.Lcd.drawNumber(mm, xpos, ypos, 8); // Draw minutes
xsecs = xpos; // Sae seconds 'x' position for later display updates
}
if (oss != ss) { // Redraw seconds time every second
oss = ss;
xpos = xsecs;
if (ss % 2) { // Flash the colons on/off
M5.Lcd.setTextColor(0x39C4, TFT_BLACK); // Set colour to grey to dim colon
M5.Lcd.drawChar(':', xcolon, ypos - 8, 8); // Hour:minute colon
xpos += M5.Lcd.drawChar(':', xsecs, ysecs, 6); // Seconds colon
M5.Lcd.setTextColor(TFT_YELLOW, TFT_BLACK); // Set colour back to yellow
}
else {
M5.Lcd.drawChar(':', xcolon, ypos - 8, 8); // Hour:minute colon
xpos += M5.Lcd.drawChar(':', xsecs, ysecs, 6); // Seconds colon
}
//Draw seconds
if (ss < 10) xpos += M5.Lcd.drawChar('0', xpos, ysecs, 6); // Add leading zero
M5.Lcd.drawNumber(ss, xpos, ysecs, 6); // Draw seconds
}
}
if(thh == hh && tmm == mm && ss == 0){
digitalWrite(2,HIGH);
}
}
static uint8_t conv2d(const char* p) {
uint8_t v = 0;
if ('0' <= *p && *p <= '9')
v = *p - '0';
return 10 * v + *++p - '0';
}
void printLocalTime()
{
struct tm timeinfo;
if (!getLocalTime(&timeinfo)) {
M5.Lcd.println("Failed to obtain time");
return;
}
// テキストサイズ指定
M5.Lcd.setTextSize(2);
// カーソル位置を設定
M5.Lcd.setCursor(40, 100);
ss = timeinfo.tm_sec;
mm = timeinfo.tm_min;
hh = timeinfo.tm_hour;
M5.Lcd.printf("%04d-%02d-%02d %02d:%02d:%02d"
, timeinfo.tm_year + 1900
, timeinfo.tm_mon
, timeinfo.tm_mday
, timeinfo.tm_hour
, timeinfo.tm_min
, timeinfo.tm_sec
);
}


-
taputapufk
さんが
2021/02/22
に
編集
をしました。
(メッセージ: 初版)
ログインしてコメントを投稿する