本記事では、チップ抵抗やリード抵抗に 280V のパルス電流を与える回路と実験結果を紹介します。実験の結果、チップ抵抗は火花が出て故障し、リード抵抗は無事でした。この実験は、自作の電源回路の抵抗が焼けた(電源装置向け突入電流保護&検出回路)のをより深く検証するためにやりました。
高電圧を作る方法
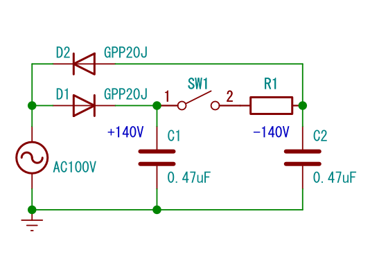
約 280V を得られる全波倍電圧整流回路(参考:高電圧発生装置)を組みました。回路を下に示します。
AC100V はピーク電圧が ±144V 程度ですから、これを整流することで約 2 倍の電圧が得られます。ダイオードによる電圧降下が少しありますし、コンデンサの自己放電もあるので、±288V より少し低い電圧になります。
ダイオード D1、D2 には逆耐圧が 288V 以上あるものを使う必要があります。GPP20J は逆耐圧が 600V あります。小信号ダイオードは逆耐圧が低いので使えません。コンデンサ C1、C2 の耐圧は 144V 以上必要です。
高電圧発生装置
上記の回路に基づいて実際に作った装置がこれです。SW1 は写真には写っていません。白線と黒線が SW1 と繋がっています。
充電が終わった後(充電は一瞬で完了します)、SW1 を ON することで R1 に 280V のパルス電流が流れるというわけです。パルス電流が流れる時間はごく短いです。100Ωと 0.47μF の CR 充電回路だと思うと、時定数は 47μs となります。
上図は R1 にチップ抵抗を取り付けた図なのですが、小さくてよく見えませんね。抵抗を拡大した写真を下図に示します。
ピンヘッダにチップ抵抗を半田付けし、ブレッドボードに挿せるようにしています。
実験
R1 にチップ抵抗やリード抵抗をいろいろ接続し、実験してみました。次のような結果になりました。
- チップ抵抗(100Ω、1608M サイズ、0.1W):火花が出ました。その後、抵抗値を測ったら 350kΩ くらいを示しました。完全に壊れています。
- リード抵抗(100Ω、1/6W):何度か実験しましたが、特に火花が出たりすることなく、破損もありませんでした。
- リード抵抗(100Ω、1/2W):1/6W タイプと同じ結果でした。
チップ抵抗は釜屋の RMC1/16 シリーズです。「素子最高電圧」が 50V となっていて、280V もの電圧に耐えられないのは納得です。定格オーバーしまくった電圧をかけてごめんね、チップ抵抗くん。
1/6W リード抵抗の正確な品種は不明ですが、参考に FAITHFUL LINK の CF シリーズのデータシートを見ると、「Max Working Voltage」が 150V、「Max Overload Voltage」が 300V となっていました。それぞれの項目が正確にどういう意味なのかは分かっていませんが、数値だけ見れば 280V に耐えたのも頷けます。
1/2W リード抵抗は FAITHFUL LINK の CFS シリーズです。「Max Working Voltage」が 300V、「Max Overload Voltage」が 500V となっていて、安心感があります。
投稿者の人気記事





-
uchan
さんが
2025/01/26
に
編集
をしました。
(メッセージ: 初版)
-
uchan
さんが
2025/01/26
に
編集
をしました。
(メッセージ: リンクを修正)
ログインしてコメントを投稿する