「スマホをハードを使って操作したい」と思う時は多々ありますよね。
そんな時は、サーボなりソレノイドなりリンク機構なりに100均で買ってきたタッチペンをくくりつけるのではないでしょうか。
タップするだけなのに機械一式準備するのは面倒臭い…。
スマホのタップをするモジュールがあればいいのに…。
ありました。
これを購入しましょう。
おしまい。
安価なモジュールがあるのに、勉強のため自作し直してみたので記録を残します。
またモジュール単体ではなく、圧力センサに連動してスマホをタップさせたいと考えました。
1入力1出力になり、マイコンを使わずに全部回路で繋いでみたいと考え、勉強のためオペアンプを使ってみました。
仕組み
スマホタップの仕組みを知る。
ありがたいことに回路図が公開されていたので、それを確認。
スマホ画面にパッド面を当てておき、リレーでGNDに繋げてしまおうということですね。
こんな単純なことで実現できるのか…。
静電容量方式から考えると、人間はデカイGNDと言いますし、GNDに当てたらコンデンサができるような感じはしますが、理論はどうなんでしょう?
詳しい方がいたら教えてくれると嬉しいです。
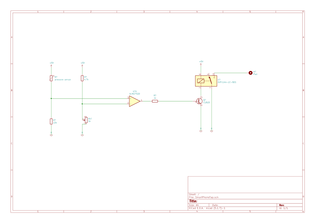
構成は以下のような形です。
部品
圧力センサ[FSE402]
オペアンプ[NJM2732D]
5Vリレー[Y14H-1C-5DS]
トランジスタ[2SC1815]
回路図
回路図をKiCadでかいてみました。
最初に入っていたコンポーネントを使用したため、多少異なっている点もあるかと思いますが、ご了承ください。
電源はスマホ充電用のACアダプタから5Vを取り出し、マイクロUSBコネクタで取り込むことにしました。
圧力センサ部
圧力センサを指で押すと、10kΩ程まで抵抗値が落ち込んだ。
手持ちの抵抗器では、10kΩが一番大きかったので、これを使って圧力センサが反応したら、2.5Vくらいまで上がるように分圧する。
コンパレータ部
オペアンプでコンパレータを作る。
ヒステリシスは無しで、-端子側より高い電圧が+端子に加われば電位差の∞倍 = 最大電圧、低い電圧なら最小電圧が出てくる。
Rail to Railのオペアンプを選定することで、0,1のデジタル信号に変換させる。
-端子側に、しきい値となる基準電圧を作る。
値を調整するため、片方を半固定抵抗器にする。
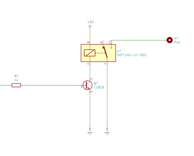
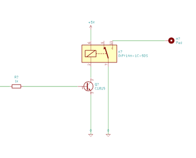
リレー駆動部
オペアンプからの出力ではリレーを駆動できないので、トランジスタでスイッチング回路を作ってリレーをONにさせる。
NOからパッドを伸ばす。
NCは特に何も繋げない。
実装
圧力センサはピンソケットに刺す。
パッドは配線の先にアルミホイルを両面テープで張り付け、全体をマスキングテープで補強。
スマホ画面とはまた両面テープで固定する。
実装するとき、しきい値を作るための抵抗器、半固定抵抗器を逆に取り付けてしまった。
でも問題なく動いた。
動き
良い感じに見えますが、正直かなり動作が不安定です。
- 全く反応しない
- リレーOFFにしてもずっとタップしたままの状態になる
- リレーON状態で、連続タップしだす
といった状態に陥ることがあります。
明確な原因は分かってないのですが、感覚としては配線を画面に近づけないというのが対策としてちょっと有効そうです。
(配線を山なりにすると良い)
投稿者の人気記事




-
forest516
さんが
2020/11/09
に
編集
をしました。
(メッセージ: 初版)
-
forest516
さんが
2020/11/10
に
編集
をしました。
ログインしてコメントを投稿する