567632面体フルカラーLED球体ディスプレイを作る
はじめに
180枚の三角形基板からフルカラーLED球体ディスプレイを作る という記事を作成して半年近く…
あまり制作されたという話は聞きません。
また、展示会等に出展して 180面体を出してみると
- これは無理
- 誰もまねできない
といった声が聞こえてきたり - 売り物じゃないのか
といった声が聞こえてきたりしました。
180面体はさすがに作るにはハードルが高すぎる様です。販売しないのかという話についても、販売するとしたら作成する(1つ最低でも1か月ほどはかかるので)手間がかかりすぎてとても量産に耐えられません。
もう少し手軽に簡単にという事で 32面体でやってみるとどうなるのか試してみたら、表現力は少ないながらもなかなかのインパクトのあるもので、かつ製作時間は3日程と短くなりました。
動作映像は以下の YouTube動画を参照ください。
https://youtu.be/hb30h4hj3Lo
基板の発注も本作品の様にガーバーデータが揃っている場合は最近はそれほど難しくないのですが、経験ない方にとってはハードルは相当高いようです。
というわけで、Maker Faire Kyoto にて販売をと思い記事にします。
まずは、部品セットをキット販売として提供できるように試してみようと、組み立てに必要な最低限の情報から優先して書いていきたいと思います。
製作キットについて
現状キットを使っての組み立て記事になっています。将来的にはキットを使わなくても製作出来る様に記事を追記していく予定です。
キットの構成
キットは以下の3種類を用意しています。
- Aキット:マイコン込みフル部品バージョン
よくわからないけど、まずは作ってみたいという方に最適です。
付属している CH32V003 という RISC-V マイコンにプリセットデモを書き込み済みです。
将来的に改造すれば別のマイコンに置き換えることも可能です。
組み立てれば動作するので、プリセットデモをそのまま使いたい場合はこれで充分ですし、プログラムを作成する知識は必要ですが追加で書き込み機さえ購入すればプログラムの変更も可能です。但しマイコンが貧弱なのであまり大規模な物は作れませんし、WiFi 等は一切使えません。
- Bキット:マイコン以外部品バージョン
NeoPixel を使用経験があり、別のマイコンで自分でプログラムを書き込みたい方に最適です。
本製品を自分の作品の一部として使用したい場合等、単なるNeoPixel 搭載ディスプレイとして使用する形です。
Arduino R3、ESP32 シリーズ 、M5Stackシリーズ、ラズパイ、RasPi Pico、XIAOシリーズ 等、NeoPixelライブラリが使えるものであれば、何にでも使用できます。
NeoPixel とCH32 以外のマイコンに接続する方法が判る方には、本キットで十分かと思います。
- Cキット:基板のみ
部品は自分で入手できるとか手持ちがあるからとか自分で Alli で入手した方が安く済むとか、自分で色々試したいという方に最適です。
生基板のみです。電子部品店舗や通販で部品をそろえて組み立てます。
「基板同士をジャンパーでつなぐだけならできそうだけど、表面実装部品の半田付けは出来そうもない」
と言われる方の為に、表面実装部品を半田付けした基板のキットも用意しています。(A実装済キット 又は B実装済キットになります。)
キット販売について
Maker Faire Kyoto 2024 向けに製作し、会場で基板を売り出して余ったのをきっかけに、キットの販売を始めてみました。
手数料や部品在庫確保の関係で会場よりは少し割高になりますが、手軽に部品を取得したいと思われる方はご検討ください。
円安の影響で値段が変動する可能性があるため、記事には値段を載せません。
なお、受注後部品手配特価枠を用意しています。部品が届くのを待ってからの発送になるため少し時間が掛かる分、少し値段を抑えたものとなっています。
急がないので少しでも安い方がいいという方はご利用ください。
Aキット
32面体フルカラーLED球体Aキット【通常発送枠】
32面体フルカラーLED球体Aキット【受注後部品手配特価枠】
32面体フルカラーLED球体A実装済キット【受注後部品手配特価枠】
Bキット
32面体フルカラーLED球体Bキット【通常発送枠】
32面体フルカラーLED球体Bキット【受注後部品手配特価枠】
32面体フルカラーLED球体B実装済キット【受注後部品手配特価枠】
Cキット
32面体フルカラーLED球体Cキット【通常発送枠】
32面体フルカラーLED球体Cキット【受注後部品手配特価枠】
値段の一覧をみてどれにするか決めたいという方は、▼こちらの
BOOTH 内の TakSanのショップ を参照ください。
準備
部品を用意するところから入るのですが、まずはキット取得前提で書いていきます。
LED球体 に必要な部品は大まかに以下の通りです。
詳細説明は、以降の詳細記載箇所に掛かれた章に記載していきます。
| 品名 | 型番 or SPEC | 個数 | 含まれるキット | 参考価格 | 詳細記載箇所 | 備考 |
|---|---|---|---|---|---|---|
| RISC-Vマイコン | CH32V003 | 1 | A | 40 | 制御モジュール | プログラム書き込み済み |
| 五角形基板 | LED_Sphere_Easy32_Hex.zip | 12枚分 | A, B, C | 300 | 基板発注 | キットに付属 又は 基板製作業者に発注 |
| 六角形基板 | LED_Sphere_Easy32_Hex.zip | 20枚分 | A, B, C | 400 | 基板発注 | キットに付属 又は 基板製作業者に発注 |
| NeoPixel RGB | Adafruit WS2812B ( 5050) 又は WS2012C (2020) | 32 | A, B | 1800 | オンボード部品 | サイズの違う2種類のNeoPixelのパターンが用意されています |
| コンデンサ | 表面実装 積セラコン(1608) 0.1μF 50V | 32 | A, B | 100 | オンボード部品 | 電源安定用のパスコン |
| 電源コード | 5V 1A | 1 | - | 100 | USBケーブルを切り離して使う | |
| はんだ | 共晶半田で可 | 適量 | - | 200 | 消耗部品 | |
| すずメッキ線 | Φ0.5 | 数m | - | 350 | 消耗部品 | ジャンパー接続用 |
| 極小丸形シール | 白 | 1 | - | 110 | 順番整理用 | |
| プローブクリップ | 赤、黒、黄 | 3 | - | 300 | テスト用 | 各色1個 |
以下、入手に時間のかかる順に記載していきます。
基板発注
キットで入手された方はこの章の内容は不要ですので飛ばしていただいて大丈夫です。
ご自身で基板を発注される場合、以下の2種類の基板を発注します。
写真の様な二種類の基板を10枚づつ基板屋さんに発注すると4セット分の基板が入手できます。
ガーバーデータへのリンクを張っておきます。
六角形基板のガーバーデータ一式ダウンロード
五角形基板のガーバーデータ一式ダウンロード
必要枚数が五角形は12枚で、生産基板1枚に12枚の五角形基板が面付けされているので、10枚で10セット分になります。
必要枚数が六角形は20枚で、生産基板1枚に9枚の六角形基板が面付けされているので、2枚と六角形2枚が1セットに必要になるので、2.5枚必要として4セット分になります。
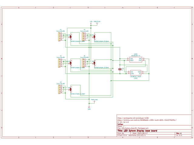
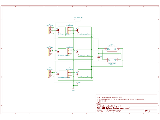
基板情報
端子配置
端子配置は下の図の様になっています。各辺にある5ピンの信号は信号がぶつからない様に、左右対称になっています。
一番外側がグランド、その一つ内側が電源線、真ん中が信号線です。
回路図
製作
製作にあたっての注意点
-
テスターを使ってのショートチェックは小まめに行う
配線が網目状に展開されているという本作品の構造性質状、一度ショートするとどこでショートしたかわからなくなります。
今まで組んだ部分でショートしていないことを確認しながら進んでください。そして前回チェックした箇所は必ずメモするか印シールを張る様にしてください。
最悪そこまで戻す必要がありますが、最後にチェックした場所が判らなくなったら -
順番シールを貼った後は、数値の若い順に配線する
-
電源を入れる前には必ずショートチェック
-
フルカラーLED (NeoPixel) はかなり熱に弱いので、半田ごての長時間当て過ぎには注意してください。
デバイス内部の配線が熱で外れてしまうようにうかがえます。
基板切り離し
下の写真の基板の赤線部分に、Vカットという、基板を簡単に切り離すための溝が入っています。
なるべく全体を覆うように指で持って、前後に少しずつ曲げると簡単に切り離せます。
また赤丸部分は細くなっている部分には、真ん中に穴が開いていて手で簡単に割れる様になっています。
これも前後に少し曲げてみると簡単に折れるようになっていると思います。
但しこの部分は穴の形状によるバリ(でっぱり)が残りますので、ニッパー等できれいに切って整えてください。きれいに切れていないと基板を組み合わせるときに隙間が出来てしまいます。
部品実装
実装する部品は、小さい基板1枚につきNeoPixel (LED) と コンデンサの2点のみです。
この動画の様に取り付けていきます。(後日ちゃんとした動画を準備します。)
https://twitter.com/i/status/1786446787097833677
NeoPixel取付
NeoPixel には向きがあります。写真の赤丸箇所の様にドットがあるところが目印で、その目印が左手前になる様に基板を置いて以下の図の様な向きで実装してください。
取り付ける LED (NeoPixel) の種類によって目印が異なりますが、キットに入っている 5mm x 5mm の場合は、一つの角に切り掛け目印が入っていますので、それが右手前になるように取り付けてください。
五角形基板は、面付けした時の都合により、シルク(基板に印刷されている文字)が上下逆転されているものが存在する為、印刷されている文字の方向には頼らない様にご注意ください。
コンデンサ取付
向きはありません。
しかしながら、くしゃみをしたら飛んでいくので、まずは鼻をかんですっきりしましょうw
という冗談はさておき、マジで簡単に飛んでいくので注意しましょう。いざ飛んで行っても、数個くらいなくても動作するとは思います。飛んで行ってしまって無くした場合は購入できればいいのですが、省略するならできるだけ電源に近いところを省略してみてくださいたぶん動くと思います。
実装チェック
テスターでチェックします。
チェック観点は電源ラインのショートが無い事。先ほど出てきた端子配置図を参考に、端子の一番外側のグランドと、その一つ内側の電源ラインがショートしていないことを、テスターの導通モードで確認してください。
基板組み合わせ
ここが最大の山場でもあり重要箇所でもあります。
端から順番に組み立てていくと経験上形がいびつになる事が判っています。全体を7つのブロックに分割して組み立てるのが楽で形も整います。
7つのブロックとは、以下の図の通り。
赤線で囲まれた天板ブロック・底板ブロックの2ブロック
ピンク線で囲まれた再度ブロックの5ブロックです。
先ずはグランドラインを全てジャンパー線で接続することで形を形成していきます。
下の写真はサイドブロックの接続したものです。グランドなので両端を全部配線して形を整えていきます。
基板の各辺が隣り合う辺にぴったりくっつくように組み合わせていくことで自然と形は整うのですが、それを意識しながらのはんだ付けはかなり難しいです。
いったん裏側をテープ等で止めると多少楽になりますが、不安定ですぐ外れてしまうので成形型の治具を使うと楽です。
3Dプリンタがある方は以下の STL をダウンロードし、プリントすると2種類の成形型出来上がりますのでご利用ください。
天板・底板ブロック用組み立て治具 STLファイルダウンロード
3Dプリンタがない場合は以下の展開イメージをプリントアウトし、厚紙やプラバンを組み合わせて作ると似たようなが成形型が作成できるかと思います。
組み立てていきます。(難易度高め
) 基板を付ける面を両面テープ張り付けように、セロハンテープ等でコーティングしておくといいと思います。
下の図の赤枠の部分を接続していきます。
以下の X (旧Twitter)の投稿の指導がの要領で、確辺のグランド(一番外側)の穴同士をつないでいきます。
https://twitter.com/TakSan0/status/1783491344712802428
天板・底板ブロック
上図の赤枠部分で、五角形基板を中心にその周りに5枚の六角形基板を配置した単位です。天板と底板の2セットを作ります。
サイドブロック
上図のピンク枠部分で、隣り合う六角形基板2枚と、その横の辺を対角上に配置した4枚構成のセットです。5セット作ります。
底板とサイドパーツを組み合わせる
出来た底板とサイドパーツを底板から順にそれぞれ組付けていきます。グランド線だけ接続していきます。
※注意 上の写真では天板のシールがついてしまっていますが、この時点ではまだ番号シールを貼っていないはずです。(使う写真を間違えたようですが、底板とサイドを接続した写真を撮り忘れているようで、現時点で修正できません。ご了承ください。)シールと番号はこの時点では無視してください。
まずは裏側をテープで止めて端に箇所と中央付近を止めるとまずは安定するかと思います。
そのあと残りの接続部分を止めていきます。
蓋を閉める前に後述のマイコンの接続と電源線の接続が必要ですので、天板は最後に閉めるようにします。
マイコンの接続
キットに付属したマイコンは絶縁処理されているので内側に取り付けることが出来ます。内蔵した方がすっきりするので、天板ブロックを組み付ける前にその裏にマイコンを取り付けます。
キットでは短く赤い線が電源線、短く黒い線がグランド線、長い白い線が信号線になります。
基板裏の配線も、表と同様左右対称になっていて5ピンあるうちの、一番両側がグランド、2番目の両側が電源、真ん中が信号線になっています。
電源はすべての基板につながっているのでどこでも大丈夫ですが、信号線だけは天板の真ん中の五角形に接続し、その部分を はんだジャンパを "I" 側にはんだをもって入力設定にしてください。
同じ辺に "O" が衝突しない様に注意してください。
電源・グランドが短いのは、電線を極力短くすることで簡単に動かない様にしてマイコンが内部でガサガサ動くのを防ぐためです。
この時、せっかく裏側に取り付けた配線を、表を配線するために同じ端子を半田付けしようとすると取れてしまう可能性があります。
裏側から配線を取り付けた箇所には、油性マーカーで印をしておき、表側を配線する時にはその箇所を避ける様にしましょう。
電源の接続
電源は、外側でも内側でも好きな方に取り付けていただけばよいです。すべての基板に電源が配線されていますので、どの基板でもいいので間違わない様に配線してください。5ピンあるうちの両外側がグランド、2番目が電源です。
なんだかんだ言って、USB TypeA のコネクタを買って組み立てるより、100円ショップの 充電 or データ転送用ケーブルを買ってきて途中でぶった切って使う方が安く済むので、その方法で行きます。
判っているとは思いますが、ニッパーで切る時は刃でショートするので危険です。必ず電源やPCから外した状態でぶった切ります。
また、USBケーブルは普通は赤が電源黒がグランド、白と緑がデータ線となっているはずですが、たまに常識を逸脱した製品があるので、一応テスターで赤と黒の電圧を当たって赤が電源黒がグランドとなっている事を確認してください。
内側・外側もどちらでもいいですが、内側に取り付ける場合の例を以下写真で示します。
内側に取り付ける場合は天板ブロックを組み付ける前に行います。
抜け防止のために、結束バンドでしっかり固定しています。
ここでも、電源線とグランドがショートしていない事が重要です。テスターでしっかりチェックしてください。
チェックがおわったら、天板ブロックで組み立て済み部分の蓋をしていき球体にします。
電源線の配線
ここから先は既に球体になっているので転がりやすいです。使い終わったマスキングテープの芯等、小さめの輪の上に置くと転がりにくくて良いです。
下の写真の赤枠部分、外側から2つ目の線をつないでいきます。
こちらはグランドの様に全部つなぐ必要ありません。片側で充分ですし、省略も可能です。
省略具合が判らない場合、以下の展開図の以下の赤い太線の箇所を止めるといいかと思います。
電源ラインを繋ぐ場合は、毎回テスターで電源とグランドがショートしていないかをチェックしてください。
もしショートしていたら、工程が進んでからでは原因箇所の特定かなり困難ですので。
信号ラインの配線
信号ラインは接続順番があります。NeoPixelはシリアル接続という特性上、スパイラル状に数珠繋ぎにつないでいく必要があります。混乱するので、まずはシールを張っていきます。100均にある の極小●シールがいいと思います。
シールに0~31まで順番に数字を書いていってください。
その後、それぞれの基板が以下の配置になる様に、番号シールを張っていきます。図は展開図で隣り合うが赤の細線で結ばれています。組み合わせたときのイメージでシールを張っていきます。
番号を振ったら、信号がその番号シールの順番に流れるように(図のオレンジ矢印をたどる様に)ジャンパー線で中央の端子を配線していきます。
その後、半田ジャンパーを設定していきます。はんだジャンパーとは2つの端子間にハンダの山を盛ることで端子同士を接続するもので、ここでは信号の入口と出口を決める為に使用しています。
ジャンパー部分の真ん中と "I" をジャンパーすると入力になります。
ジャンパー部分の真ん中と "O" をジャンパーすると出力になります。
下の写真の様に、⑨ -> ⑩ の様に信号を流す場合、⑨が出力 ⑩が入力になります。同じく ⑲->⑳ の様に⑲が出力 ⑳が入力になります。
ここから先は基板一つずつ点灯を確認していきます。基板の信号線を繋ぎ終わったら、
先ずはテスターで電源とグランド間がショートしていないことを確認し、また空いている半田ジャンパーの所で IN と OUT がショートしていない事を確認し、繋いだ USBケーブルに電源を差してみます。繋ぎ終わった基板までが全部一斉に光るはずです。
光っていなければ、一つ前の基板から現在の基板迄の経路に間違いがあるか、はんだ付け不良があるかとなります。
落ち着いて USBケーブルを外して修正しましょう。(絶対に接続したままで修正をしない事)
作者がよくやらかした順で行くと、
・信号線の配線を付け忘れている。
・信号線のはんだジャンパーの盛り忘れ・または IN/ OUT の設定間違い。
・LED のはんだ付け不良。
現在作業中の基板と一つ前の基板のどちらかまたは両方に大概原因があります。
原因を取り除いてまた テスターでショートしてないかっ確認後 USBケーブルを差して点灯するか調べます。
後はコツコツと一つずつ番号を進めていくだけです。頑張ってください。
完成
お疲れさまでした。だいぶお疲れになったことと思います。
とはいえ苦労をされたと思いますので、達成感が半端ないと思います。
というわけで、完成したら写真や動画を撮り、こちらのリンク▼から
タグ "#32面体LED球体" を付けて "#32面体LED球体が完成したよ
" とポストして自慢しましょう。
改造ポイント(応用)
完成したら、色々改造したくなりますよね。
私も色々と展示向きにアレンジしました。展示会場で見たことある方は、USBケーブルとか付けていなくても単独で光っていたのを見たことあるかもしれません。
持ち運び用に改造した点を参考に載せておきます。
窓を作る
六角基板の一つを窓にして明けれるようにしました。その一枚はちょっと不安定で浮いたようにはなってしまいますが、その面が隠れる様に持っていました。左上の蓋の裏にピンを付けて、それが内側に見える2pinの黒いピンヘッダに差さるようにスライドして蓋を閉めています。
左上には、電源(電池)用のコネクターも付けています。(これは日圧の PH2pin コネクタです。LiPoにも置き換えやすいので)
実は六角形基板のサイズは窓から内部に色々アクセスできるように設計しています。
M5ATOM LITE がギリギリ出し入れできるサイズで且つ、単四電池ボックスも通るサイズとしました。
電池を内蔵
CH32マイコン (Aキットの RISC-Vマイコン) を使っている場合は、動作可能電圧幅が広いので 3V ~ 5.5V の範囲で動作します。
1.5V電池3本で動きます。DAISOのロングライフタイプを使うと展示会2日間常時付けていても余裕で残っていました。
大きさ的には単四電池3本がギリギリ入りますが、狭いので色々と工夫は必要です。
電池自体も金属なので内部の基板に触れると厄介なので、筒状のゴムで絶縁します。
電池ボックスは1本ずつバラバラの物をソーセージの様に数珠繋ぎにしてコネクターを付けました。"窓を作る" の所に書きましたが PH2pin コネクタを使っています。
このままではゴムが嵩張る上に滑りが悪くて窓から入れれませんでしたので、入れるときには滑りの良いマスキングテープぐるぐる巻きにしました。
入れるのに一寸コツは要りますが、こんな感じでギリギリ入ります。
因みに犠牲になったブツは・・・
スイッチの実装
上記で電池を内蔵するにあたって、球体外部からスイッチの入り切りがしたくなったので、3Dプリンターでスイッチホルダーを作って付けました。(下の図の様な感じです。)
スイッチは、モーメンタリー式は手を離すと切れてしまうので、オルタネート式で押すと ON / OFF がスタティックに切り替わるタイプを選択しました。
当初は基板にある穴から突起を出してその突起を押すとスイッチが入る様になっていたのですが、いきなりその突起が折れてしまって、展示に間に合わないからとつまようじか何かで穴の中のスイッチを押す運用になっていました。(そこから修理出来ていない・・・)
使ったスイッチは下の写真の左側の様な物。小型ながらオルタネート式でとってもいいのですが、地元大阪日本橋の共立店舗で買ったのですが、通販では扱ってなさそうです。
右側は作ったスイッチホルダーですが、黒フィラメントで映りがいまいち・・・
マイコン回り
マイコンの接続部分をコネクター化し交換可能とする為に、内部から引き出せるコネクターを付けました。写真の様に CH32(RISC-V) や M5ATOM をコネクターで取り替えることが出来ます。
因みに、M5stack Japan Tour 2024 Spring Osaka で展示していた時は、内部に M5ATOM LITE を入れていました。こんな時でも改造することなく簡単にマイコン交換できます。
また、Aキット入手された方は、CH32(RISC-V)マイコンに 5pinの黒いヘッダーコネクタが付いていたと思いますが、この黒いコネクタはプログラムを書き込む為に取り付けて、そのまま外さずにおいておいたものです。
つまり、このコネクタに「WCH-LinkEエミュレーター」という名の書き込み用デバッガ を取り付けると、デモプログラムを改造して ArduinoIDE で書き込み可能です。
そのベースとなるソフトの開示が間に合っていませんが、将来的に記事にも載せたいと思っています。
NeoPixel を制御できる基板なら何でも行けるはずなので、色々と試してみて下さい。
さいごに
まだまだ、情報が足りないところがあるかもしれません。
動作テスト用のソフトのソースや改造プログラムをマイコンに書き込むための情報等も将来的には載せる予定ですが出来ていません。
ひとまずはキットを組み立てできるだけの最低限の情報となっていますが、将来的にはキット無しでも製作出来る程度に順次ページを追記していきたいと思っています。
お気づきの点等ありましたらコメント欄にお願いします。
投稿者の人気記事




-
TakSan0
さんが
2024/04/27
に
編集
をしました。
(メッセージ: 初版)
-
TakSan0
さんが
2024/05/01
に
編集
をしました。
-
TakSan0
さんが
2024/05/04
に
編集
をしました。
-
TakSan0
さんが
2024/05/04
に
編集
をしました。
-
TakSan0
さんが
2024/05/06
に
編集
をしました。
-
TakSan0
さんが
2024/05/07
に
編集
をしました。
(メッセージ: 限定公開から一般交換に変更)
-
TakSan0
さんが
2024/05/09
に
編集
をしました。
-
TakSan0
さんが
2024/05/09
に
編集
をしました。
-
TakSan0
さんが
2024/05/12
に
編集
をしました。
-
TakSan0
さんが
2024/05/12
に
編集
をしました。
-
TakSan0
さんが
2024/05/12
に
編集
をしました。
-
TakSan0
さんが
2024/05/14
に
編集
をしました。
-
TakSan0
さんが
2024/05/17
に
編集
をしました。
-
TakSan0
さんが
2024/05/26
に
編集
をしました。
-
TakSan0
さんが
2024/05/26
に
編集
をしました。
(メッセージ: 改造ポイント(応用) 追記)
Opening
Kazekaoru
2024/07/16 Opening
TakSan0
2024/08/03
ログインしてコメントを投稿する突然のご連絡失礼いたします。
PCBGOGOマーケティング部門の葉と申します。
弊社は経験豊かな基板製造・実装会社でございます。
いつも、貴サイトの記事を楽しく拝読させていただいております。
今回、弊社についての記事の作成をお願いしたく、
連絡させていただきました。
ご興味がおありであれば、一度ご連絡をいただけますでしょうか。
ご多用の折恐れ入りますが、ぜひご検討くださいますよう
お願い申し上げます。
メール:service10@pcbgogo.jp
葉様
色々と立て込んでおり、elchika サイトを確認できておらず、コメントに気づくのが大変遅れてしまいました。
申し訳ありません。
先ほど別途メールさせていただきましたので確認お願いいたします。