はじめに
はじめての人ははじめまして。yuzuharaと申します。
小学校の理科の豆電球の実験で電気に興味を持って以来光物を中心とした電子工作をしています。
その中で、ここ1年ちょっとは無線給電を使用した、卓上サイズのイルミネーション(以下、デスクトップイルミネーション)の製作に取り組んできましたので、ぜひ皆様にも素敵な作品を製作して頂きたいと思い筆をとることにしました。
無線給電について
無線給電(ワイヤレス給電)はその名の通りワイヤーを用いない電力伝送手段のことです。トランスの原理を利用したものやコンデンサの原理を利用したものなどがありますが、今回はトランスの原理を利用したものを使います(磁界結合方式と言います)
2個のコイルを用意し、片方のコイルに電流を流すと磁束が発生し、もう片方のコイルがこの磁束を受けると電流が発生するというのが簡単な原理です。ただし、この電流(=磁束)は変化させ続けないと継続して電力伝送できないので(でないと磁石をコイルの側に置いとけば常に発電してくれることになる)コイルに入力する電流は交流ないしはパルス波である必要があります。
本来、どんな小さな作品であっても電気を使用している以上電池が必要となりますが、小型の作品ではデザイン的に不利になりますし、だからといって小さなボタン電池を使おうものなら頻繁に電池交換をしないとすぐ電池が切れてしまうなど経済的でもありません。また後述するレジン詰めの作品やハーバリウムオイル漬けの作品はそもそも電池交換が難しくなってしまうため、無線給電にて電力伝送する必要があります。
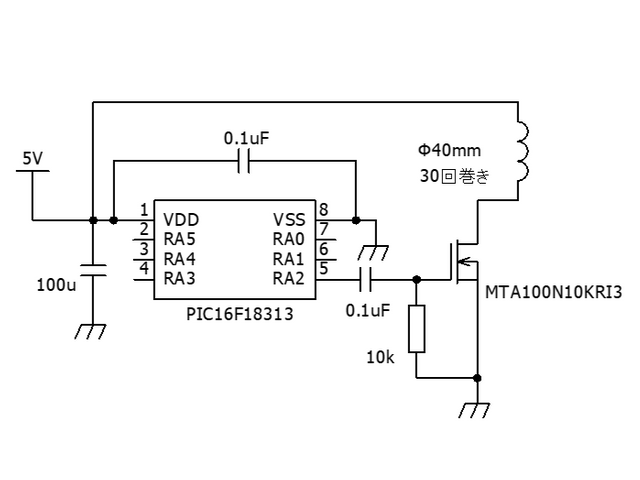
送信回路
回路図中では電源は"5V"となっていますが、実際の送信機ではニッケル水素充電池4本で動かしています。
マイコンPIC16F18313により周波数66.7 kHz(周期15 μs)のパルスを生成しています。
※周波数を66.7 kHzとしている理由はamazonで売られていた無線給電の送受信キットの仕様に合わせたため
このパルスをFETでスイッチングし、コイルに流れる電流を変化させます。
今回紹介する作品では使っていませんが調光制御を行うためにPICマイコンを使用しています。ただ無線給電を行うだけであればタイマIC等でパルスを生成しても問題ないはずですし、マイコン部分をお使いのマイコンに変えても問題ないはずです。
実際にPIC16F18313で製作する場合はmain関数内に以下のように15μs周期となるようにRA2の1/0を切り替えるプログラムを書けば動くはずです。 実物の送信機はPWMを使用して製作していますがPWMの使用方法はここでは割愛します。
while(1){
LATAbits.LATA2 = 1;
__delay_us(7); //7μsの間RA2ピンを"1"
LATAbits.LATA2 = 0;
__delay_us(8); //8μsの間RA2ピンを"0"
}
マイコンのパルス出力ピンには念のためコンデンサを入れ、もし故障やプログラムミスによりGPIOが常にHIGHになった場合でもFETが焼けないようにしてあります。
コイルはUEW線(いわゆるエナメル線)を使用し自分で巻きます。
直径30~40mm程度の筒に線径0.2~0.4mm程度のUEW線で30回巻けば完成です。
完成した回路は下のようにタカチのケースに組み込み使用しています(写真のものはコイル2個仕様ですが、回路は1個のものと大きくは変わりません)
ここまでマイコンを使用した回路の説明をしましたが、このままですとマイコンの壁でここで断念する人が出そうなので以下に電池1本とトランジスタ1個で構成できる送信回路を貼っておきます。
注:発振周波数が異なるため後述する共振させる受信回路では動作しません。また、パワーが弱く最も簡単な受信回路以外では安定動作は難しいと考えてください
↓完成図
受信回路
上記回路の「負荷」の部分にLEDやマイコン等繋いでください。
送信回路のコイルと受信回路のコイルを近づけるとLEDが光るはずです。
LEDを数個点灯させる程度であれば共振回路は入れなくても大丈夫です。
逆に、LEDを複数個点灯させ、しかもマイコンを入れ制御となると共振させ全波整流する回路でないとエネルギーが足りません。
ちなみに 先程紹介した送信回路の場合そこまで送信のパワーはないので受信回路のコイルに直にLEDを繋いでも焼けません。共振させたらLED1個だけだと焼ける可能性があります。
また、共振させる回路以外はコイルの向きによって効率が変わります。したがって、なにかに組み込む際は組み込む前に送信機の上に受信コイルを当てて、LEDが明るく光る向きを確かめてから組み込んでください。
なお、回路図中のLDO(≒低損失の3端子レギュレータ)は5Vですと安定動作が難しそうです。光物にはぎりぎりですが3.3Vのものを使ってください。僕がよく使うのはLM2950G-3.3です。このLDOの場合C inは10μFと0.33μF並列で、C outは100μFと0.1μF並列で使用しています。経験則なので正しいかと言われると微妙ですがそれなり安定動作はしています。
作品集
ここからは無線給電を使用したデスクトップイルミネーションをいくつか紹介します。
なお、電子部品の本来の使い方を想定していないものもいくつかあるため、試すときは自己責任でお願いします!
①ライトリウム (ハーバリウムオイル漬け回路)
無線給電に取り組むきっかけとなった作品
数年前から液体の中に光物を沈めたらきれいなのではないかと思いつつ、電源をどう取るかという問題があったため実行できずにいたもの。無線給電のおかげで油中に沈めても電源を供給できるようになりました。
↓マルチバイブレータの回路が沈められている
・受信回路:共振させる回路(ただし半波整流)
↓点滅している様子
実際に製作してわかったこととして、
・クリアのLEDではオイルの屈折の関係上きれいに見せるのは難しい
レンズが半透明もしくは色付きのLEDを使用したほうがいい
・作品の下に白色LEDを配置し、部品を照らすようにしたほうがきれい
というのがありますので、ぜひ作ってみたいという方は参考にしていただけるといいと思います。
あと、液体の中に入れますので電解コンデンサのような電解液が入っている部品は使わないほうがいいです。
②キラキラLED無線給電オルゴール
ネット記事でも取り上げてもらいましたオルゴールです。
インタビュー記事はこちら:https://otakei.otakuma.net/archives/2022030305.html
・受信回路:共振させてかつ全波整流する回路
実際にオルゴールしている動画は以下をご覧ください。 右下の音符を触るとオルゴールが鳴り出します。
なお、この作品に関しましては別に独立した記事を作ろうかと考えていますが、如何せん複雑なのでいつになるかはわかりません。
③ソリッドステートライトリウム(ライトリウムのレジン詰めバージョン)
②の元となったイルミネーションを製作した際にtwitterのリプで「レジンに封入しても良さげなのでは?」と言われたので作ってみた作品
上の画像のものは3石バージョンの非安定マルチバイブレータをレジン詰めしたものです。点滅動作している動画は以下をご覧ください
また、他にも星空をイメージしたり川にホタルがいるようなイメージの作品もあります
星空のやつは土台部分にマイコンが入っておりLEDを点滅させ星が瞬いているよう見せる予定でしたがまあ…はい。というくらいの出来です。
なお、写真左の2個は25mm角のレジン型に入るようコイルは20mm角のものに巻き付けて作っていますが、これより小さなサイズのコイルでは上手く光りません。
・受信回路:共振させてかつ全波整流する回路(星空)、最も簡単な回路(星空以外)
ライトリウムの項での説明と同様、レジンの土台部分に白色LEDを仕込んで下から照らすことが重要です。でないとイルミネーション部分のLEDは明るくなっても他の部品や配線は暗くなってしまいます。
おまけ:まっすぐのメッキ線を作る方法
空中配線をする際にまっすぐのメッキ線が必要になるときがありますが、丸く巻かれたメッキ線をそのままペンチで引っ張ってもきれいにまっすぐになりません。じゃあどうするかというと電動ドライバを使用します。
まず、電動ドライバのチャックに丸まったメッキ線をとりつけ、反対側をペンチで掴んでまっすぐに引っ張ります。
次に、電動ドライバを回転させるとやがてまっすぐになります。
投稿者の人気記事



-
yuzuhara
さんが
2023/02/19
に
編集
をしました。
(メッセージ: 初版)
-
yuzuhara
さんが
2023/02/19
に
編集
をしました。
-
yuzuhara
さんが
2023/02/19
に
編集
をしました。
-
yuzuhara
さんが
2023/02/19
に
編集
をしました。
(メッセージ: 公開のための細かな修正を行いました)
ログインしてコメントを投稿する