目的
Spresense のカメラ画像により、画像を認識し、Vehicleを自律走行させるのが目標です。
現状、充分な仕上がりとは言えませんが、自律走行の技術要素の確認はできました。(達成したとは言えませんが・・・・・)
部品
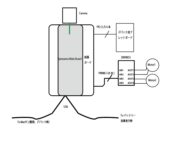
- Spresense Main Board
- Spresense 拡張Board
- Spresense カメラBoard
- ツイストクローラー (タミヤ)
- DCモータードライバ DRV8835(秋月電子通商)
- USB用バッテリー (Spresense 駆動用)
- 単3電池*2 (DCモータ駆動用)
ブロック図
組み立て状態
Soft
NNC(Neural Network Console)
Youtubeのチュートリアルにて、学習。
Macは、PC版が無いので、クラウド版にて行う。
殆どチュートリアルのコピペ。
【number_recognition.sdcproj】参照
ソースコード
NNCを適用するためには、Aruduino IDEが必要。VSCodeでもできるのだろうが、圧倒的に情報が足りないため、Aruduino IDEをインストール。
画像処理の部分は、チュートリアルSpresense | 14. Neural Network Consle を使って組込みAIを体験する(画像編)【ソニー公式】から転用。
【Spresense_number_recognition.ino】をベースに、0〜9の数字を認識して、『4』だけをターゲットとしてサーチします。
Vehicle自律走行
#include <Camera.h>
#include <DNNRT.h>
#include <SDHCI.h>
SDClass theSD;
#define DNN_IMG_W 28
#define DNN_IMG_H 28
#define CAM_IMG_W 320
#define CAM_IMG_H 240
#define CAM_CLIP_X 104
#define CAM_CLIP_Y 0
#define CAM_CLIP_W 112
#define CAM_CLIP_H 224
uint8_t buf[DNN_IMG_W*DNN_IMG_H];
DNNRT dnnrt;
DNNVariable input(DNN_IMG_W*DNN_IMG_H);
static uint8_t const label[11] = {0, 1, 2, 3, 4, 5, 6, 7, 8, 9, 10};
// io pin define //全大文字を使うのが嫌なので・・・・
int R_Forward = 5; // RightMotor Forward // PWM0
int R_Backward = 6; // RightMotor back // PWM1
int L_Forward = 3; // Left Forward // PWM2
int L_Backward = 9; // Left back // PWM3
int speed = 160;
// IO remote操作のときに使う
int cameraShutter = 2; // cameraShutter
int speedDown = 0; // Speed down
int speedUp = 1; // Speed Up
int moveCCW = 4;
int moveCW = 7;
int moveForward = 10;
int moveBackward = 8;
int moveStop = 11;
int findCountSum = 0;
unsigned long previousMillis = 0;
bool firstDirectionCW = true;
int cwCCWdelay = 100;
void CamCB(CamImage img) {
if (!img.isAvailable()) {
Serial.println("Image is not available. Try again");
return;
}
CamImage small;
CamErr err = img.clipAndResizeImageByHW(small
, CAM_CLIP_X, CAM_CLIP_Y
, CAM_CLIP_X + CAM_CLIP_W -1
, CAM_CLIP_Y + CAM_CLIP_H -1
, DNN_IMG_W, DNN_IMG_H);
if (!small.isAvailable()){
Serial.println("Clip and Reize Error:" + String(err));
return;
}
small.convertPixFormat(CAM_IMAGE_PIX_FMT_RGB565);
uint16_t* tmp = (uint16_t*)small.getImgBuff();
float *dnnbuf = input.data();
float f_max = 0.0;
for (int n = 0; n < DNN_IMG_H*DNN_IMG_W; ++n) {
dnnbuf[n] = (float)((tmp[n] & 0x07E0) >> 5);
if (dnnbuf[n] > f_max) f_max = dnnbuf[n];
}
/* normalization */
for (int n = 0; n < DNN_IMG_W*DNN_IMG_H; ++n) {
dnnbuf[n] /= f_max;
}
String gStrResult = "?";
dnnrt.inputVariable(input, 0);
dnnrt.forward();
DNNVariable output = dnnrt.outputVariable(0);
int index = output.maxIndex();
if (index < 10) {
gStrResult = String(label[index]) + String(":") + String(output[index]);
switch (index) {
case 3: //
// Serial.println("************* 3");
break;
case 4: //
findCountSum ++;
Serial.print("Find ");
Serial.print(gStrResult);
Serial.print(" ");
Serial.println(findCountSum);
break;
case 5: //
// Serial.println("************* 5");
break;
default:
break;
}
} else {
gStrResult = String("?:") + String(output[index]);
}
// Serial.println(gStrResult);
}
void setup() {
Serial.begin(115200);
pinMode(R_Forward, OUTPUT);
pinMode(R_Backward, OUTPUT);
pinMode(L_Forward, OUTPUT);
pinMode(L_Backward, OUTPUT);
analogWrite(R_Forward, 0);
analogWrite(R_Backward, 0);
analogWrite(L_Forward, 0);
analogWrite(L_Backward, 0);
// 外部リモートで操作する場合
pinMode(cameraShutter, INPUT_PULLUP);
pinMode(speedDown, INPUT_PULLUP);
pinMode(speedUp, INPUT_PULLUP);
pinMode(moveCCW, INPUT_PULLUP);
pinMode(moveCW, INPUT_PULLUP);
pinMode(moveBackward, INPUT_PULLUP);
pinMode(moveForward, INPUT_PULLUP);
pinMode(moveStop, INPUT_PULLUP);
while (!theSD.begin()) { }
// Neural Network Console クラウド版にて学習した結果
File nnbfile = theSD.open("result_v1.nnb");
int ret = dnnrt.begin(nnbfile);
if (ret < 0) {
Serial.println("dnnrt.begin failed" + String(ret));
return;
}
theCamera.begin();
theCamera.startStreaming(true, CamCB);
}
void loop() {
unsigned long currentMillis = millis();
if (cwCCWdelay > 200) {
cwCCWdelay = 100;
}
if (currentMillis - previousMillis >= 1000) {
findCountSum = 0;
previousMillis = currentMillis;
// remoteIO_Check();
}
if (findCountSum > 3) {
motorForward(); //方向が正しいので進め
cwCCWdelay = 100;
} else {
motorStop();
if (firstDirectionCW) {
motorCCW();
firstDirectionCW = false;
} else {
motorCW();
firstDirectionCW = true;
}
cwCCWdelay += 5;
delay(cwCCWdelay);
motorStop();
}
}
// Motor Control Analog(PWM)
void motorStop() {
Serial.println("++++Stop");
analogWrite(R_Forward, 0);
analogWrite(R_Backward, 0);
analogWrite(L_Forward, 0);
analogWrite(L_Backward, 0);
}
void motorForward() {
Serial.println("++++Forward");
analogWrite(R_Forward, speed);
analogWrite(L_Forward, speed);
analogWrite(R_Backward, 0);
analogWrite(L_Backward, 0);
}
void motorBackward() {
Serial.println("++++Backward");
analogWrite(R_Backward, speed);
analogWrite(L_Backward, speed);
analogWrite(R_Forward, 0);
analogWrite(L_Forward, 0);
}
void motorCW() {
Serial.println("++++CW");
analogWrite(R_Forward, 0);
analogWrite(R_Backward, 0);
analogWrite(L_Forward, speed+10);
analogWrite(L_Backward, 0);
}
void motorCCW() {
Serial.println("++++CCW");
analogWrite(R_Forward, speed);
analogWrite(R_Backward, 0);
analogWrite(L_Forward, 0);
analogWrite(L_Backward, 0);
}
void motorSpeedUp() {
speed += 10;
}
void motorSpeedDown() {
speed -= 10;
}
void remoteIO_Check() {
int val;
val = digitalRead(cameraShutter);
if (val == 0) {
Serial.println("cameraShutter On");
}
val = digitalRead(speedDown);
if (val == 0) {
speed -= 10;
Serial.print("speedDown Speed = ");
Serial.println(speed);
}
val = digitalRead(speedUp);
if (val == 0) {
speed += 10;
Serial.print("speedUp Speed = ");
Serial.println(speed);
}
val = digitalRead(moveCCW);
if (val == 0) {
Serial.println("moveCCW On");
analogWrite(R_Forward, speed);
analogWrite(L_Backward, speed);
}
val = digitalRead(moveCW);
if (val == 0) {
Serial.println("moveCW On");
analogWrite(R_Backward, speed);
analogWrite(L_Forward, speed);
}
val = digitalRead(moveBackward);
if (val == 0) {
Serial.println("moveBackward On");
analogWrite(R_Backward, speed);
analogWrite(L_Backward, speed);
}
val = digitalRead(moveForward);
if (val == 0) {
Serial.println("moveForward On");
analogWrite(R_Forward, speed);
analogWrite(L_Forward, speed);
}
val = digitalRead(moveStop);
if (val == 0) {
analogWrite(R_Forward, 0);
analogWrite(R_Backward, 0);
analogWrite(L_Forward, 0);
analogWrite(L_Backward, 0);
}
}
動作状況
調整中の段階ですが、現状の動作状況の動画を御覧ください。
@youtube
反省点、改善点
- 当初の構想が甘すぎ、紆余曲折してしまいました。
- NNCの理解が不十分で、チュートリアルから外れると手が出ない。
- そもそも画像認識はかなり高度な技術な技術なのに、NNCの見た目の簡便さで勉強不足だった。
- 本来は、物体追跡で画像認識を行いたかったのだが、そのレベルには程遠い状況です。大学入試に中学生レベルで挑戦したようなものです。
- 現状では、光検知センサー数個でライントレースする方がはるかにスムーズかつ、容易に実現できます。
- それでも、これだけの画像処理ができるSpresense の能力は魅力的ですね。
- VSCode+PlatformIOの環境になれすぎて、Arduino IDE がなかなか思う様に使いこなせませんでした。
Spresenseの感想
- このサイズで、マルチコア、GPS、オーディオ、カメラ等の魅力たっぷり、かつ、画像処理を楽々こなせる能力が素晴らしい。
- ただし、外部との通信機能が弱い点が気になる。
(利用方法次第とも言えるが・・・) - NNCをワンボードで活用できるのには驚いた。ただあまりにも分野が広いので学習コストが高そう。
疑問点
- マルチコアをシングルで使っているためか、タイマー割り込みが異様に遅く使えなかった。(画像処理、Serial.printを排除しても・・・)
同じ処理をタイマー割り込み内で使うのと、void loop内で使うのと速度が大幅に異なる。
誰か教えて下さい。
本ソフトでは、タイマー割り込みを使わず、millis()を使っています。
タイマー割り込み確認テスト
int cnt=1;
void timerWup() {
// Serial.print("Wup ");
// Serial.println(cnt);
//cnt ++;
if (cnt == 1 ) {
digitalWrite(11, HIGH);
cnt = 0;
} else {
digitalWrite(11, LOW);
cnt = 1;
}
// Serial.println("Wup");
}
void setup() {
Serial.begin(115200);
pinMode(11, OUTPUT);
attachTimerInterrupt(timerWup, 200000);
}
void loop() {
// if (cnt == 1 ) {
// digitalWrite(11, HIGH);
// cnt = 0;
// } else {
// digitalWrite(11, LOW);
// cnt = 1;
// }
// delay(200);
}
- eMMCライブラリは、SDKでは動くが、Arduino IDE ではうまく動きませんでした。あまり深く追求していませんが・・・・
投稿者の人気記事




-
HakoHiro
さんが
2022/09/26
に
編集
をしました。
(メッセージ: 初版)
ログインしてコメントを投稿する