はじめに
長くマイコンをやられている方でNECの「TK-80」や「TK-85」を知らない人はいないでしょう。40年以上前に発売されたマイコンですから今、本物を手に入れる事は非常に困難です。
しかし最近、TK-80の互換機(ZK-80シリーズ)が発売されました。互換機でTK-80の機能を再現する事は出来ても、唯一の出力装置である7セグLEDの見た目を再現するためにはハード的に同じ7セグLEDを使わなければなりません。
TK-80本体を手に入れる事は無理でも、TK-80やTK-85に使われていた7セグLED(NEC SN713AまたはSN713B)がオークションや秋葉原の老舗部品店で手に入れる事が出来る様です。
TK-80やTK-85に使われていた、あの特徴的な7セグLEDを互換機に接続すればグッと本物に近く感じられます。
製作
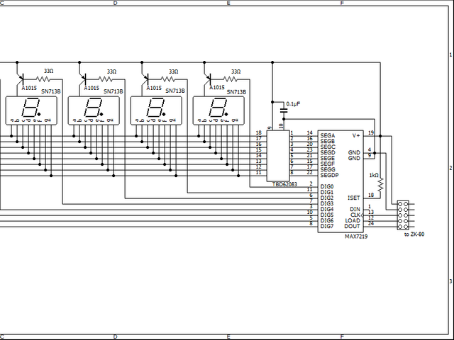
最初は7セグLEDを交換するだけで良いと思っていましたが、互換機で使用されている7セグLEDドライバIC MAX7219は「カソードコモン」の7セグLED用になっており、「アノードコモン」である「SN713B」をそのまま接続する事は出来ません。その為「カソードコモン」を「アノードコモン」に変換する回路をトランジスタアレイなどを使って製作しました。
試作
「カソードコモン」を「アノードコモン」に変換するって以外に難しいですね。
構成部品
LED基板は2枚構成となっており、上の基板には7セグLEDを8個並べて下の基板にはドライバIC MAX7219やトランジスタアレイIC TBD62083を載せました。7セグLEDドライバIC MAX7219は互換機とシリアルインターフェースで接続されますので電源を含めてたった5本で線で接続出来ます。
回路図
部品表
| 部品名 | 個数 | 参考購入先 |
|---|---|---|
| 7セグLED 「SN713B」 | 8 | タカヒロ電子 |
| 両面ガラス・ユニバーサル基板 140×40mm 752穴 | 2 | 秋月電子 |
| 7セグLEDドライバIC 「MAX7219」 | 1 | 秋月電子 |
| トランジスタアレイ 「TBD62083」 | 1 | 秋月電子 |
| トランジスタ 「2SA1015」 | 8 | 秋月電子 |
| 抵抗 33Ω 1/8W | 8 | 秋月電子 |
| 抵抗 1kΩ 1/8W | 1 | 秋月電子 |
| セラミックコンデンサ 0.1μF 50V | 1 | 秋月電子 |
| ピンヘッダ 8P | 2 | 秋月電子 |
| ピンヘッダ 5P | 1 | 秋月電子 |
| ピンソケット 8P | 2 | 秋月電子 |
| ピンソケット 5P | 1 | 秋月電子 |
| フラットケーブル 5P | 1 | 秋月電子 |
| メカニカルキースイッチ25個 (5×5キーボード ) | 1セット | 梅澤無線 |
| TK-80互換機 「ZK-80P」 | 1 | ピコソフト |
構成品
今回製作したのは7セグLED基板とキーボードです。
自作キーボード
回路はTK-80やTK-85と同様です。
TK-80の回路図が入手できますので参考にするとよいと思います。
おわりに
いかがですか?互換機の7セグLEDを変えるだけでグッと本物に近く感じられると思います。今回は5×5のキーボードも自作しましたので接続してみました。
皆さんも互換機の7セグLEDとキーボードを本物に近いものに変えて互換機を思い存分堪能しましょう!!
投稿者の人気記事





-
je8vgn
さんが
2021/02/27
に
編集
をしました。
(メッセージ: 初版)
-
je8vgn
さんが
2021/02/28
に
編集
をしました。
-
je8vgn
さんが
2021/02/28
に
編集
をしました。
-
je8vgn
さんが
2021/12/12
に
編集
をしました。
Opening
JH8XVH
2025/10/22
ログインしてコメントを投稿するすごいなって思ったら、生田さんのページだったw