4772ドアの向こうの親の接近を知らせる警報機
概要
親が突然部屋にはいってきても、慌てることの無い様、ドアの向こうの接近を知らせる10.5G ドップラーレーダーKITを使って接近検出したBOXである。ヽ(^o^)丿
このKIT単体をそのまま使うと、近傍では指向角が360度あり目的以外の動きまで反応するので使いずらい。この為銅のケースでシールドして指向性を付ける事を考えた。しかしながら銅のケースを加工し、中に本体を組み込むことっは素人にとっては手が出ない。試しにプラスチックケースに回路を組み込みそのケースに薄い銅板を張り付ける方法を試みたところ、そこそこの指向角が得られたので紹介します。
レーダーを使うと ①家の中から外部の侵入者発見 ②家の中で急な雨の検知 ③天井のネズミ(小僧?)発見などいろいろ面白い応用が出来そうです。
KITの注意書きです※このキットは屋内専用です、電波法により屋外で使用することはできません。
材料
| 部品 | 部品名 |
|---|---|
| ドップラーレーダーセンサ | ドップラー動体検知キット 秋月¥2800 |
| 銅板 | 銅板 スリム 裏面粘着シート 厚み0.1X巾150X300mm L9082 amazon ¥854 |
| 圧電ブザー | 3V~ 鳴るもの (圧電SPと間違えませんよう) |
| 電源SW | ロックする プッシュ型等 |
| ケース | 100X45X60 位 (今回はMP3プレーヤーの入っていた あきばお~ケースを流用) |
| 006P スナップ | 5.5V~12VのACアダプターを使う場合は不要 |
KITの回路改造点
*回路図は秋月電子通商の組立説明書より一部転記させていただきました
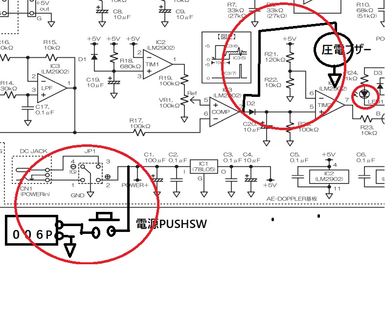
①圧電ブザーをIC3の7pin とアースの間に追加
②受信LEDを基板上から線を伸ばし外から見えるところに配置
③006Pスナップ+を電源SWを通してDCIN+側に接続し、ー側をアースに接続 (ACアダプタを使う場合は不要)
以上
銅板シールドの作り方
プラスチックケースの周りに薄い銅板(0.1mm)を張り付ける。加工はふつうのはさみで切れ粘着シートをはがし張り付けるだけで素人でもできる。のりしろに当たるところは半田こてではんだ付けして固定(半田は簡単にのる。W数のおおきいほうがきれいにできる)アンテナのアースと銅板を接続する。(銅板はアンテナの先の方にも5cmくらい伸ばしていますが見た目指向性がとれそうな素人理論です(^^♪)
結果と考察
指向性はそこそことれ目的以外の動きによる誤動作は減った。しかしまだ完全ではなくシールドの厚さがうすいのか、あるいはマイクロ波の反射や自体の特性なのかもしれない。
更にアンテナの先をホーン型にする事により感度を上げることも出来るかもしれない
ある程度指向性がとれることによりマイクロ波ドップラーを使った応用はし易くなり 壁の向こうの雨漏り検出 心臓の鼓動検出 など面白そうである。
参考:雨漏り発見器
参考文献
投稿者の人気記事





-
syouwa-taro
さんが
2021/02/27
に
編集
をしました。
(メッセージ: 初版)
-
syouwa-taro
さんが
2023/11/07
に
編集
をしました。
(メッセージ: 考察に参考:雨漏り発見器)
ログインしてコメントを投稿する