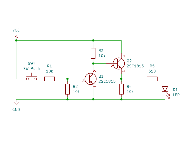
トランジスタによるNOT回路
NPN型のトランジスタを用いてNOT回路を作ってみた。
NOT回路は、1本の入力と1本の出力を持ち、HIGHを入力するとLOWを、LOWを入力するとHIGHを出力する回路である。
今回は、まずよくある回路で入力を受け取る。
その回路のコレクタをエミッタフォロワの入力に接続し、LEDを点灯させることができる出力にする。
CRUMB Circuit Simulator
CRUMB Circuit Simulator は、3次元空間で電子回路のシミュレーションができるソフトウェアである。
現在、Steamで1,000円で購入できる。
Steam:CRUMB Circuit Simulator
回路図ではなく、ブレッドボードや部品の3Dモデルを配置して回路を作成する。
トランジスタの足配置を参考にすれば、今回の回路は例えば以下のようになるだろう。
左上のINTERACTIONを右上の手のマークに切り替え、右に配置した電源装置のスイッチをクリックすることで、電源を入れることができる。
んー?なんか数Aというクソ大電流が流れてしまった。
なぜだろうか?
一旦、実機でも動作を確認してみよう。
実機で試してみる
実際のブレッドボードや部品を用い、同じ回路を組んでみた。
トランジスタは2SC1815を用いた。
結果は、特に変な大電流が流れることもなく、意図通りに動作した。
スイッチを切っているとき、LOWの入力となり、HIGHが出力される。
スイッチを入れているとき、HIGHの入力となり、LOWが出力される。
CRUMB Circuit Simulator 再び
もう一度 CRUMB Circuit Simulator に戻ってみる。
すると、右側に Show Pins というのがあったので、有効にしてみた。
すると、平らな面を奥、ピンを下にしたとき、左からE、B、Cとなっていることがわかった。
トランジスタの足配置によればB、C、Eとなっているはずであり、これとは異なっている。
説明なしで特殊なピンの順番になっているというのは、初見殺しの不親切設計であるという印象が強い。
まあ、これで仕掛けがわかったので、仕様に合わせて配線を直してみた。
すると、電流の値もまともになり、意図通りの動作となった。
スイッチを押していないとき、以下のようになった。
LEDのパッケージに色がついているだけで光っていないように見えるが…
スイッチを押すとLEDの表示が暗くなり、電流も減った。
意図した動作をしていることがわかる。
実際のトランジスタのピンの順番
ところで、本当に CRUMB Circuit Simulator のトランジスタのピンの順番は特殊なのだろうか?
今回は、秋月電子通商で現在売られているNPNトランジスタのうち、パッケージがTO-92であるものについて、ピンの順番を調べてみた。
正確には、
- 「トップ > 半導体(モジュール) > トランジスタ(BJT) > NPNトランジスタ」カテゴリのもの
- ダーリントントランジスタや抵抗入りトランジスタを含む
- TO-92NL (TO-92より縦長) は含まない
を大将に調査を行った。
結果、以下のトランジスタが売られているようだった。
足配置は、平らな面を手前、足を下にした際の足の役割を左から順に並べたものである。
| 型番 | 足配置 |
|---|---|
| 2N3904 | EBC |
| 2N4401 | EBC |
| 2N5088 | EBC |
| 2N5089 | EBC |
| 2N5550 | EBC |
| 2N5551L-B-T92-K | EBC |
| 2SC1213 | ECB |
| 2SC1815 | ECB |
| 2SC1923 | ECB |
| 2SC1959 | ECB |
| 2SC2001 | ECB |
| 2SC2120 | ECB |
| 2SC2240 | ECB |
| 2SC3355 | BEC |
| 2SC380TM | ECB |
| 2SC536 | ECB |
| 2SC945 | ECB |
| 8050S | ECB |
| BC337 | CBE |
| BC547L | CBE |
| C945 | ECB |
| DTC114E | ECB |
| DTC123E | ECB |
| DTC143E | ECB |
| KSC1845 | ECB |
| KSP13 | EBC |
| M28S | ECB |
| MPSA13 | EBC |
| MPSA29 | EBC |
| MPSA42 | EBC |
| PN2222 | EBC |
| SS9018 | EBC |
ここから足配置ごとの種類数をまとめると、以下のようになった。
| 足配置 | 種類数 |
|---|---|
| ECB | 17 |
| CBE | 2 |
| EBC | 12 |
| BEC | 1 |
結果、トランジスタの足配置が主張している足配置のECBが一番多かった。
CRUMB Circuit Simulator のトランジスタの足配置のCBEは2種類しか無く、やはり特殊といえそうである。
ただし、足配置がEBCであるトランジスタもECBに迫る数売られており、未知のトランジスタを扱う際はきちんとそのトランジスタの足配置を確認したほうが良さそうである。
投稿者の人気記事





-
mikecat
さんが
2023/01/12
に
編集
をしました。
(メッセージ: 初版)
ログインしてコメントを投稿する