(Jo^▽^)ノぁぃ♪
「エアコン 故障」
我が家の居間のエアコンが止まった 型番 東芝 RAS-5622D
https://iair-c.com/wp-content/uploads/manual/toshiba/ras-5622d.pdf
リモコンの反応なし、室内機の表示LEDが点滅してる、取り説に記載のチェック機能を操作すると、チェックコード04「室外機との通信エラー」だ
室外機を開けて見ると正月の寒い時期だと言うのに冬でも暖かい室外機の制御基板の上で蟻が巣を作っています、蟻の巣を撤去してもエラーは解除されません
「室外機の点検」
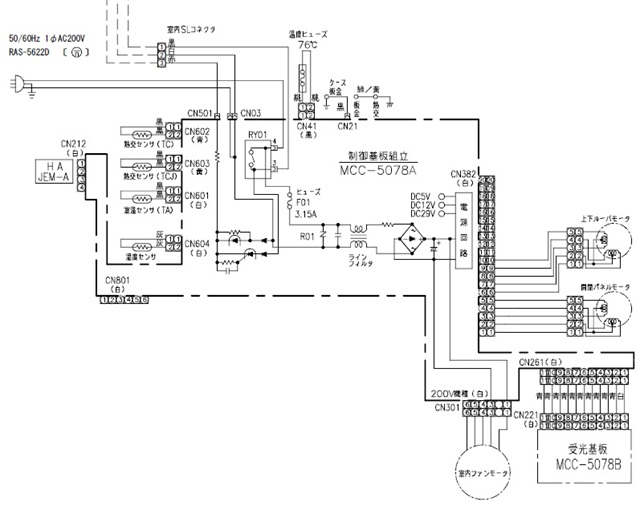
室外機に付属の結線図から各部の電圧を計測して見ると、室内機から配線される電力線に有るべきAC200Vが来ていません、電源が来ていないので制御基板は動作せず通信エラーと成るわけです
なので原因は室内機側に有ると判断出来ます。
「室内機の点検」
さて室内機、AC200Vのコンセントを抜いてカバーを外し室外機に繋がるAC200V端子にテスターを当てAC200Vのコンセントを射し込んでもし室外機に繋がるAC200Vは観測出来ない
室内機の制御基板にAC200Vのリレーが有るが、このリレーが動作していない事になる
一つの仮定として、電源投入→リレーON→室外機との通信出来ず→リレーOFF かとも思ったが最初からテスターで観測してるのでこの動作では無く最初からリレーがONしない様だ
そこで室内機の制御基板を取り外しチェックする事にした、室内機本体から取り外すとセンサーやモータの配線も外す事に成るので、基板のみでは実機として動作チェック出来なくなる
「室内機基板の点検」
制御基板内にはAC200Vからのスイッチング電源が搭載されている、この電源はリモコン操作に関係無く常時動作、スイッチング電源の出力は+12Vと+7Vで、+7Vはシリーズレギュレターで+5Vの回路がありマイコン回路の電源と成っています。
スイッチング電源の出力コンデンサの容量計測してみると、+7V側は10V470μFが420μF +12V側は25V470μFが400μF と多少の容量抜けが有るので2個共手持ちの1000μFに交換
「室内機基板の修理」
リレーは+12Vの回路に繋がっています、使用されているリレーは、第一電機のDW1U
https://www.google.com/url?sa=t&source=web&rct=j&opi=89978449&url=https://www.j-dec.co.jp/files/libs/552/202206011758221558.pdf&ved=2ahUKEwjcxduE98KSAxWj1jQHHYT_Is4QFnoECB0QAQ&usg=AOvVaw1W-H_46Gs4AF5vKmMKItFI
リレードライブはTD62004AF
https://toshiba.semicon-storage.com/jp/semiconductor/product/linear-ics/transistor-arrays/detail.TD62004AFG.html
+12Vからリレーコイルの間にCN41が有る、これには温度ヒューズが接続されており、室外機への「ぶっ込み端子」の接触不良による温度上昇で動作する様だ、ヒューズは開放して無いがCN41の回路が接触不良している、ヒューズの半断線は考え難いのでコネクタを念入りに清掃して実機で動作チェックしてみる、室内機よりAC200Vは出力する様に成ったがチェックコード04 室外機との通信エラーが出る、通信回線に問題が有る様です
「状況確認」
本機の通信はブロックダイアグラムから推察すると、室内機からはAC200Vの正の半サイクルで送信を行い負の半サイクルで受信操作をするらしい、電力線を利用した1ワイヤーの半2重シリアル通信で有る、送信用フォトカプラのドライブはリレーと同じくTD62004AF、送信用フォトカプラのダイオード入力信号と受信用フォトカプラの出力信号をオシロで観測してみる、送信はしてるが受信信号が来ていません。
送信用フォトカプラの良否チェックの為フォトカプラの入力と出力を同時に観測すると送信用フォトカプラは動作している様です
「室外機の修理」
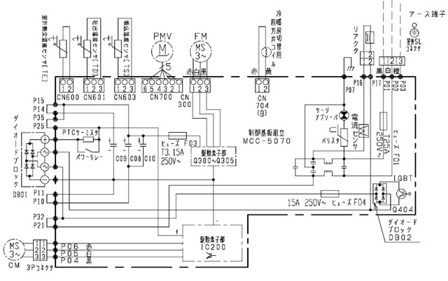
室外機本体から制御基板を取り外すとセンサーやモータの配線も外す事に成るので、基板のみでは実機として動作チェック出来なくなる
AC200V入力はコンプレッサーとファンのインバータと、スイッチング電源に繋がっている
実験設備で商用電源から絶縁されたAC200V-AC200Vのトランス→スライダックを経由して基板のAC200V入力に電力供給してみる、AC200V入力はブリッジダイオードで整流し平滑コンデンサにはDC280Vが有りココまでは正常と思われる
「室外機の回路構成」
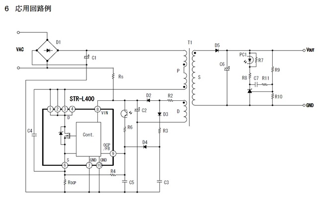
DC280Vに繋がる制御用スイッチング電源の出力にテスターで当ると何れの出力も電圧が有りません、この電源の制御ICはSTR-L472
STR-L472はパワーMOSFET と制御IC を1 パッケージにした擬似共振型スイッチング電源用パワーIC です
STR-L472 データシート
http://www.semicon.sanken-ele.co.jp/sk_content/str-l472_ds_jp.pdf
STR-L472 アプリケーションノート
http://www.semicon.sanken-ele.co.jp/sk_content/str-l4xxseries_an_jp.pdf
アプリケーションノートによるとこのICはDC280Vから高抵抗によりICの電源コンデンサをチャージしてICの電源電圧が17.6Vに成ると発振を開始し、スイッチングトランスのD巻線からICの電源を供給して発振を継続させる構造の様です
「故障原因の特定」
ところがオシロで観測するとICの電源電圧は17.6Vで発振を開始する物のその後電圧が低下して行き発振停止電圧10.1Vで発振を停止・・・・この繰り返しで発振が継続されません
ICの出力(内部FETによるスイッチング)が十分に有るか確認する為IC 6ピンに繋がるRocpをオシロで当ると0.2A程度のピーク電流が有りICの出力は正常動作している、0.2Aの電流はRcopとR4による分圧でIC 9ピンに繋がり出力電流を制限する値に十分な電流です
ICが正常に起動してるのに出力が出ないのはトランスの出力回路の何れかの負荷がショートしてるかとトランスの出力回路を全て当ると何れも整流ダイオードのVF電圧まで電圧上昇が有りません
なのでこのトランスは巻き線の何れかが内部で短絡してる事に成る、この手のトランスはカスタムメイドで市販されて居ないので部品交換による修理を断念せざるを得ない
友人のQさんならスイッチング電源のトランスでも巻き直してしまいそうだが私には無理!!
「業務ルート経由で部品を手配」
メーカーのサービスセンターから制御基板の新品を調達する事にした、一般人には基板の市販はして無いので裏技炸裂!
開発業務での取引実績を活かし、業者名義で発注
東芝コンシュマ マーケティングのサービスセンターに部品発注、\16,000円にて入手出来た 。
東芝との直接取引は無いが、開発業務ではメーカーから「直接」部品調達する事も有る。
「修理完了」
新品基板にはヒートシンクが付いて無い為、シリコングリスを塗布してヒートシンクを付け替えて組み立てた
そのまま室外機を組み立てれば正常動作する事は言うまでも無い
今回の修理は部品(制御基板)代が高く付いたが故障原因を究明し的確な対処出来た事は良い勉強に成った
私の本分は修理では無いが電子回路のスキルアップの為に自宅の家電品だけは自分で修理する事にしている
先回のテレビと言い、最近良く壊れる事だ
「まとめ」
・スイッチング電源の起動不良は、一次側・二次側・負荷の切り分けが重要
・トランス内部短絡は“電圧が上がらない”という形で現れる
・通信エラーでも電源側の問題が原因になることがある
投稿者の人気記事





-
JO
さんが
2026/02/16
に
編集
をしました。
(メッセージ: 初版)
ログインしてコメントを投稿する