自作CPU Advent Calendar 2022 4日目
CalicoCPU で Xorshift による乱数生成を行った。
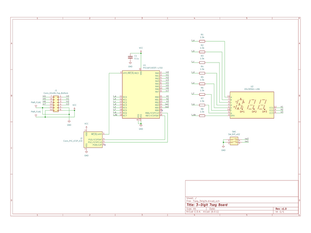
3-Digit 7seg Board
8ビットの入力値を7セグメントLEDで表示する。以下のモードがある。
- 16進数 (左の2桁を使用)
- 10進数 (3桁を使用)
- 直接制御 (左の1桁を使用)
- シリアル通信による直接制御 (3桁を使用)
方針
8bit用xorshift乱数発生アルゴリズム - Sim's blog
を参考にする。
今回の環境では周期65535 (= 2^16 - 1) がちょうどよさそうだが、この周期はこのサイトには載っていない。
そこで、「周期が16777215 (= 2^24 - 1)」をベースに、自分で適切な A, B, C の値を探索することにした。
以下のアルゴリズムを用いる。
uint8_t x, y, t;
t = x ^ x << a;
x = y;
y ^= y >> c ^ t ^ t >> b;
return z;
以下のC言語のプログラムで探索を行う。
#include <stdio.h>
#include <string.h>
char visited[1 << 16];
int main(void) {
int a, b, c;
for (a = 0; a < 8; a++) {
for (b = 0; b < 8; b++) {
for (c = 0; c < 8; c++) {
unsigned char x = 0, y = 1, t;
int count = 0;
memset(visited, 0, sizeof(visited));
while (!visited[x + y * 256]) {
count++;
visited[x + y * 256] = 1;
t = x ^ (x << a);
x = y;
y ^= (y >> c) ^ t ^ (t >> b);
}
if (count == (1 << 16) - 1) {
printf("%d %d %d\n", a, b, c);
}
}
}
}
return 0;
}
以下の7通りの A, B, C の組が得られた。
3 2 5
3 2 7
5 1 2
5 1 3
5 4 3
7 1 2
7 6 1
今回は、この中から (A, B, C) = (5, 4, 3) を採用した。
以下のC言語のプログラムにより、出力するべき値が得られる。
#include <stdio.h>
int main(void) {
unsigned char x = 255, y = 0, t;
int i;
for (i = 0; i < 100; i++) {
t = x ^ (x << 5);
x = y;
y ^= (y >> 3) ^ t ^ (t >> 4);
printf("%03d\n", y);
}
return 0;
}
このプログラムの出力の冒頭は、以下のようになった。
030
029
205
098
005
037
142
018
090
006
実装
以下が MikeAssembler 用のプログラムである。
target calico
movi a, -1
drive 0, a
; A: x, B: y
loop_start:
; t = x ^ (x << 5)
mov c, a
shl c, 5
xor c, a, d
; // y ^= (y >> 3) ^ t ^ (t >> 4)
; t ^= t >> 4
mov a, c
shr a, 4
xor c, a, d
; t ^= y >> 3
mov a, b
shr a, 3
xor c, a, d
; x = y
mov a, b
; y ^= t
xor b, c, d
; return y
out 0, b
; proceed to next iteration
movi d, loop_start
jnz d, d
以下が、機械語をHEX形式で表したものである。
:10000000203F16808789C8C28EC28E080F0FC8C2D3
:100010008EC28E040F0BC8C28EC28E04C4CA4ECAD2
:040020004E52E3DF7A
:00000001FF
実行結果
3-Digit 7seg Board を用いて、生成した乱数を10進数で表示する。
乱数の値が計算できている。
投稿者の人気記事





-
mikecat
さんが
2022/12/04
に
編集
をしました。
(メッセージ: 初版)
ログインしてコメントを投稿する