STM32L010F4P6
最近半導体不足でマイコンが高騰したり、そもそも手に入らず困っています。自分はよく秋月電子で販売されているSTM32F303を使っていますが、最近ですと在庫なし状態が続いています。
そこで今回は秋月電子で販売されているもう一つのSTM32マイコンである、STM32L010F4P6を使ってみました。STM32F303に比べて性能は劣りますが1つ95円(2022/4/10現在)で販売されていてお財布に優しいです。
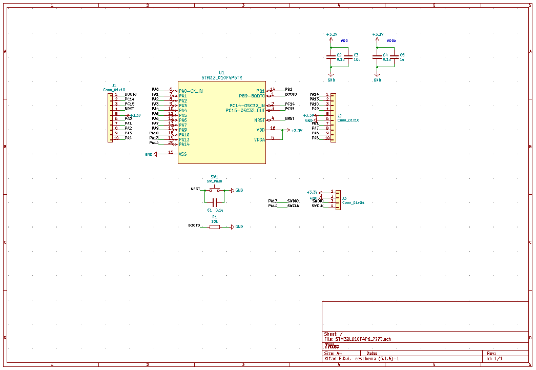
回路
STM32L010F4P6を動かすための最低限の周辺回路を、KiCadで作りました。STLinkを使ってSWDで書き込みます。
出来上がった基板
動作確認 Lチカ
最初にST-LINK Utilityで動作チェックしました。
作った基板をSTLink経由でPCに繋げた後、ST-LINK Utilityで接続アイコンを押し、基板のリセットボタンを押します。
無事マイコンのメモリが読み込めました。ちゃんと通信が出来ているようです。
次に定番のLチカを行いました。(下の画像はGIFです。クリックすれば動作が見れると思います。)
プログラムはCubeIDEで作成し書き込みました。
最後に
今後はSTM32L010F4P6を使って行きたいですね。
最大クロックは32MHzでメモリも16kBありそこそこの性能があるので、使いどころはいろいろありそうです。
余談ですが、elchikaに動画を載せようと思うとyoutubeにアップロードしたURLを貼る必要がありますが、GIFだとそのまま載せられるみたいです。
1
投稿者の人気記事




-
Pinus0079
さんが
2022/04/11
に
編集
をしました。
(メッセージ: 初版)
Opening
Kazekaoru
2023/12/06
ログインしてコメントを投稿する突然のご連絡失礼いたします。
PCBGOGOマーケティング部門の葉と申します。
宣伝協力のことに関しまして、
一度ご相談させて頂けませんでしょうか。
ご興味がおありであれば、一度ご連絡をいただけますでしょうか。
ご多用の折恐れ入りますが、ぜひご検討くださいますよう
お願い申し上げます。
メール:service10@pcbgogo.jp