25654トランスを使って電源回路を組む
サークルで勉強会をした時のノートをまとめたものです。手描きですいません。
間違っていたらコメントください
05/05 書き直しました
ダイオードの整流方式
交流から直流に変換するための電子部品はダイオードぐらいしかありません。
ここではどのようなダイオードによる整流方式があるかについて軽く説明をします。
尚、筆者の推奨方式はブリッジ整流です。なぜブリッジ整流が良いかについては後で解説します。
重要: ダイオードに電流を通すと電圧がだいたい0.8Vくらい降下します。詳しくはダイオードのデータシートにある順電圧低下の値を見る必要があります。
半波整流
ダイオードが1個で済む回路です。電流はあまりとれません。必要な耐逆電圧は入力交流電圧の2√2倍です。
メリットはありませんが、こういう回路にすると耐逆電圧は入力交流電圧の√2倍で済みます。
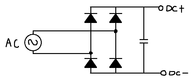
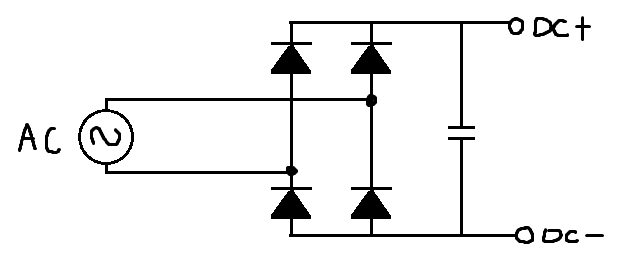
ブリッジ整流
ブリッジダイオードモジュールか、或いはダイオード4個を用いる回路です。必要な耐逆電圧は入力交流電圧の√2倍です。
他の整流方式
他にも高電圧を合成できる倍電圧整流や、センタタップトランス用の両波整流方式があります。ここでは取り上げないので気になる方は検索してください。
また半波整流ではなぜ必要な耐逆電圧は入力交流電圧の2√2倍になるのかについて、詳しく述べたサイトがあるのでこちらをご覧ください。
http://seppotl.web.fc2.com/zht03/acdc.html
トランス型電源 基礎編
そもそもトランスとは
電磁誘導によりコイルの巻き数を調整して交流電圧を上げたり下げたりすることができるものです。出力される電圧は入力される電圧に影響します。 通常は1電圧固定ですが複数のポイントが設定されたトランスも存在します。可変トランス(スライダック)も存在します。
秋月で売っているHT-1205ではポイントが4か所あり100Vの入力に対して6/8/10/12Vの出力があります。
http://akizukidenshi.com/catalog/g/gP-08740/
電流は基本的にあまり多く取れません。1A以上のものも存在しますが高価で大きいです。
トランスは2種類あります。オーディオ用途ではトロイダルトランス、それ以外では電源トランスが一般的です。使用方法は同じです。トロイダルトランスは低EMIという特徴がありますが、非常に大きいです。
トランスを用いる場合、電源は正弦波を出力している必要があります。でないと故障の原因になります。入力が正弦波なら出力も正弦波です。
トランス型電源とは
通常、私達は交流電流をそのまま使うという事は滅多にありません。交流で送られてくる電気を直流に変換して機械を動かすのが殆どです。
トランス型電源では電源トランスで降圧し、さらにダイオードを用いて交流を直流に整流するという方式がとられます。
低電流の電源トランスは主にコストカットとして製品に採用される事が多いです。よく海外製のエアガンについてくるバッテリは危険!という理由で輸入物のエアガンはバッテリが抜かれた状態で販売されていますが、厳密にはそれについてくるバッテリの充電器が危険です。バッテリの「充電器」の中身は、トランス1個、ダイオード2個、コンデンサ1個だけのシンプルなもので安全回路のないただのACアダプタだったという事例があります。
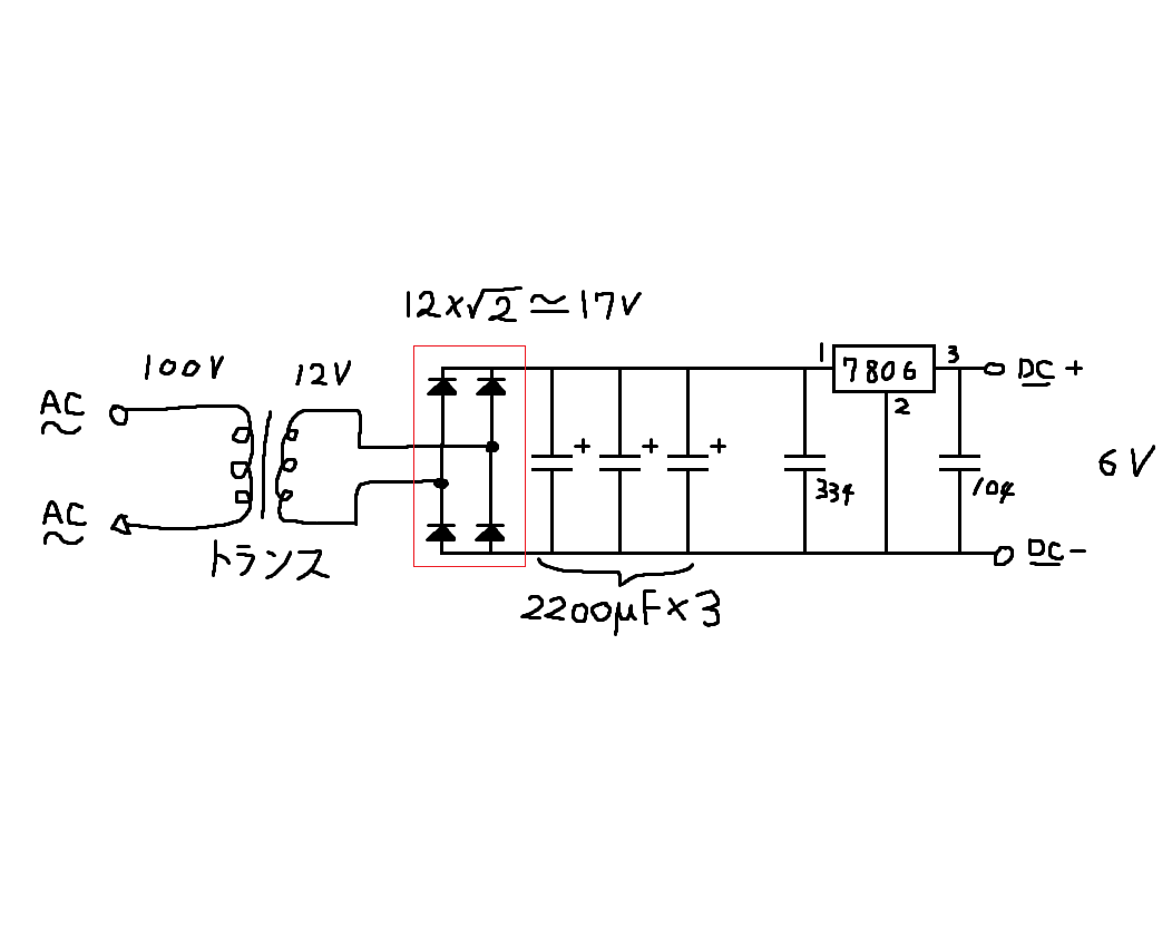
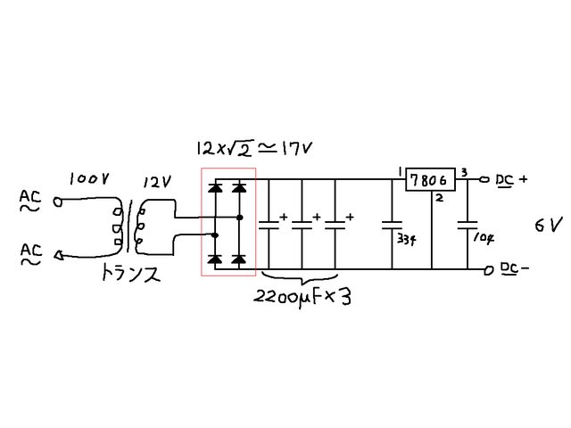
最小構成の回路はシンプルです。トランス1個、ブリッジダイオード1回路、整流用コンデンサ(アルミ電解コンデンサ)1個の構成です。ブリッジダイオードはブリッジダイオードモジュールか、ダイオード4個で構成されます。耐圧はどちらもトランスが出力する交流電圧の値×√2倍以上のものを選択します。例えば交流100Vをブリッジダイオードで直流に整流すると直流0V~142V(100×√2)程度の電圧が出力される事に注意してください。コンデンサで平滑化する事でトランスから出力された交流電流より若干高めの電圧の直流電流を得る事ができます。出力される電圧はダイオードによる電圧低下によって左右され、低下の度合いは種類と消費電流によって変動します。
図のような条件では耐圧が12×√2<17V以上のものが必要です。ただコンセントはいつも100Vぴったりの電圧を出力しているわけではない上に耐圧ギリギリでの使用は摩耗を早めるので製作の際はマージンをとります。目安となるのはマージン率20%で、例えば16V品では16×0.8=12.8V、35V品では35×0.8=28Vまでの電圧を入力させるようにします。今回の場合、17Vからさらにマージン率20%を取ると21.25Vになるので22V以上の耐圧が推奨です。
ピーク電圧の計算について
交流→直流にした際のピーク電圧の計算方法は [交流の電圧値] × √2 - [ダイオードの最大順電圧低下] ×2 (V) です。 例えば1N4004では順電圧低下は1.1V@1Aなので、交流12Vでは 16.97-2.2=14.77Vとなります。これはトランスで交流12Vに落とした後、ブリッジダイオードを通すと最大1Aの消費電流があったとしてもピーク電圧は14.77Vよりも高いという計算になります。 実際は機械の消費電流によって電圧は上下するので、1Aまでの消費電流ならば14.77Vよりも高く、12V交流のピーク電圧である16.97Vより低いピーク電圧をとります。
どのような部品を使うか
ダイオードは大体30V品からのものが多いので逆電圧の耐圧が30V以上のダイオードとトランスが発熱するため耐圧25Vか35Vの105℃品アルミ電解コンデンサを選択します。耐圧は大きければ大きい程信頼性が増しますが、その分部品の価格と面積が大きくなるのでなんでもかんでも高耐圧の部品を使えばよいという訳ではありません。ダイオードの耐電流値はトランスの出力電流値と相談です。また、ダイオード自身による電圧低下があるのでどの程度の電圧低下を許容できるか等はダイオードのデータシートを参照する必要があります。コンデンサは容量によってリップル電圧特性が異なります。ただし、どのコンデンサを入れてもフィルター回路かリニアレギュレータを通さない限りは綺麗に出てこないです。
ただし今回はダイオードとして1N4004を使う事を想定します。入手性が良いのと、一番最後の補足で述べた回路シミュレータにデフォルトで入っていて比較ができるからです。
最小構成で組むと実際は青線で引いた波形が出力されます。黒線がダイオードによる整流後の電流、赤い領域はコンデンサによって平滑化された領域です。このような完全に除ききれない周期的波形の乱れをリップルと言います。見ての通り、波形は狭いほうが良いので半波整流よりもブリッジ整流のほうがリップルは小さく、また東日本 50Hzのほうが西日本 60Hzよりもリップルが大きくなるのも事実です。
リップルを抑えるための理想条件は「静電容量がなるべく大きく、かつ抵抗負荷(電源より先につながる機械の負荷の事です)が小さい」事です。静電容量が大きい程蓄えられる電気量が多いので放電による電圧降下は緩くなり、また電源が供給する電流量が小さい程、コンデンサ内の電気が空になるスピードも遅くなるという至極普通の事を言っています。後者は電源回路の問題ではないので要は静電容量を大きくすればよいのですが、とにかく静電容量の大きいコンデンサが偉いというわけではないです。静電容量の大きいコンデンサは必然的に場所を取る上に、コストがかかります。極端に静電容量が大きいと充電開始時の突入電流によって回路パターンが焼ける可能性があります。ではどれくらいの静電容量が妥当なのか、許容リップル率に対するコンデンサ容量について計算してみましょう。
リップル率とコンデンサ容量の計算
以下の事はここのサイトに殆ど同じ事が書いてあるので詳細は省きます。
https://www.olinas.co.jp/topics/cat/knowledge/post/yomoyama-076/
先に述べた通り、実際のピーク電圧は14.77V ~ 16.97Vと変動しますが、トランジスタ技術によるコンデンサの標準値が存在するので直流12V1Aのブリッジ整流による電源回路を組む事を想定して計算します。直流12V1Aのトラ技の推奨コンデンサは6800uFです。計算する上で出力電圧が低く見積もる分には動作に影響しません。
東日本なら50Hzなので半波整流なら50回、ブリッジ整流なら100回放電します。なので東日本なら1/100=10ms, 西日本なら1/120=8.3msが最大の放電時間です。逆に最短の放電時間は計算上、入力電圧が0Vになった瞬間にコンデンサ内の電荷が空になってしまう状態であり、これは半分にすれば良いので東日本なら5ms, 西日本なら4.2msです。
許容リップル率はとりあえず-10%を目指します。-10%でも12V→10.8Vの間を周期的に出力する事を考えると良い電源とはいえません。
コンデンサ容量 C=It/dV で求めます。C=コンデンサ容量、 I=負荷電流、 t=放電時間、 dV=リップル電圧幅です。
今回は I=1A, t= 0.005 ~ 0.010, dV=1.2Vなのでだいたい4200uF < C <8400uF といった具合になります。推奨は中央値6300uF < C < 8400uFです。
大した事ないと思うかもしれませんが、実際はリップル率3%以内でないと電源としてはまともに使えません。今回の場合12V → 11.7V内におさめないと製品として成立せず、dV=0.36Vなので計算すると13900uF ~ 27500uF程度のものが必要です。
トランジスタ技術の推奨値6800uFのコンデンサについて、ピンポイントで6800uFという容量のコンデンサはありますが入手性は良くないので、今回は比較的手に入りやすい2200uFのコンデンサを3つ並べておくなどして代用します。計算した通り、4200uF ~ 8400uFに収まっていれば特に問題ありません。コンデンサは並列に接続すると足し算で容量が増えます。電源回路ではノイズの原因になるので異なる容量のコンデンサを並列に並べるべきではありません。
※正確には、コンデンサ自身にノイズを減衰させる効果があり、コンセントからのってくる高周波帯ノイズを若干減衰させます。同じ容量なら単純にノイズの減衰レベルが大きくなりますが、異なる容量のコンデンサを合成するとある高周波帯領域で通常よりも減衰レベルが低くなる帯域が出現するので、電源回路では異なる容量のコンデンサを並列に並べるべきではありません。詳しい事はこちらのサイトで解説しています。
https://techweb.rohm.co.jp/knowledge/emc/s-emc/03-s-emc/7669
ちなみに、5V-10% 1Aの場合、dV=0.5Vとなりだいたい10000 ~ 20000uFのコンデンサを要求されます。トラ技によれば12000uFが良いらしいです。3.3V-10% 1Aの場合では dV=0.33Vとなり 16000 ~ 30000 uFもの容量のコンデンサを要求されます。トラ技によれば22000uFが良いらしいです。
このように、想定される消費電力が大きい程、そして出力電圧が小さい程必要なコンデンサの容量は大きくなります。冒頭で計算する上で出力電圧が低く見積もる分には動作に影響しないといったのはそのためです。
低電圧の電源を作るとなると、要求されるコンデンサ容量が肥大化するので、許容リップル率を緩くして、DC-DC変換回路と併用する事でコストを抑えます。
DC-DC変換回路と組み合わせる
リニアレギュレータを使う
いわゆるレギュレータです。リニアレギュレータは降圧のみで、余分な電圧は熱として放出されます。もう一つ、スイッチングレギュレータというものがありますが、こちらはON/OFFを繰り返す事で目的の電圧に昇降圧させるので結局リップル電圧問題が付きまといます。リニアレギュレータでもリップル電圧問題はありますが、考えなければならないほど深刻ではありません。
具体的に何が「リニアレギュレータ」なのか
78xxシリーズのレギュレータは全てリニアレギュレータです。というかレギュレータとして販売されているものはリニアレギュレータとして考えて良いです。電子部品屋ではスイッチングレギュレータはDC-DCコンバータとして置いている事が多いです。心配であればデータシートを読むか、販売店に問い合わせれば多分わかります。というか78xxシリーズを使えば間違いない筈です。
レギュレータはどのようにして使うか
78xxシリーズであれば0.33uFと0.1uFのセラミックコンデンサと共に使います。なぜこの容量かと言うと、データシートで容量が指定されているからです。
NJM 78xx シリーズのスペックシート (4ページ目)
http://akizukidenshi.com/download/ds/jrc/NJM7805FA.pdf
STM L78xx シリーズのスペックシート (4ページ目)
http://akizukidenshi.com/download/ds/st/l78.pdf
ほぼ必ず、データシートで推奨回路が提示されているので何も考えずにそれに従います。
実際に組んでみる
レギュレータは出力電圧よりも高い入力電圧が必要です。目安は直流電圧+3Vです。+5Vあれば安心です。レギュレータ自身の耐圧以下ならば何Vでも構いませんが、電圧が高ければ高い程レギュレータの発熱量は増えます。
今回は7806を使って6Vに落とす事を想定します。組み合わせると、次のような回路になります。
それなりに使える回路が組めました。製品ではリップル電圧幅は1V程度であるべきという話なので、6600uFは決してやりすぎではありません。コンデンサ容量は5000uF < C < 10000uFなら良く、中央値は7500uFなのでむしろ若干足りないです。私は6600uFでも十分だとは思いますが、気になるのであれば4700uFのコンデンサを2本並べて9400uFにすると良いです。
ただトランス電源からとれる電力量はスイッチング電源と比べれば低いです。
補足:サーキットシミュレータによる評価
12V交流電源で 1N4004 ブリッジダイオード、6600uF アルミ電解コンデンサをつなげ、そこに16Ωの抵抗をつなげた状態をシミュレートすると抵抗間の電圧は13.78V ~ 14.84V、消費電流は 860mA ~ 927mAを変動しています。
許容リップル電圧幅が 14.84V-13.78 = 1.06V < 1.2V と ダイオードによる順方向電圧低下に対するピーク電圧が 14.77 < 14.84 < 16.97 なので今回挙げた計算方法で正常に計算できている事が確かめられます。コンデンサの容量を9400uFに変更するとdVは14.77-14.07=0.7Vとなっている事が確かめられました。
サーキットシミュレータでは自分が組んだ回路が正しいかどうかを手軽に確かめる事ができます。簡単なサーキットシミュレータの例としてPaul Falstad氏によるものがあります。1N4004がデフォルトでシミュレートできるのでよかったら試してみてください。このシミュレータでは電源トランスのシミュレートや今回取り上げていない突入電流がどれくらいになるのかも見る事ができます。
http://www.falstad.com/circuit/
投稿者の人気記事

-
sanguisorba
さんが
2020/05/05
に
編集
をしました。
(メッセージ: 初版)
-
sanguisorba
さんが
2020/05/05
に
編集
をしました。
(メッセージ: シミュレートの値追加 (9400uF))
-
sanguisorba
さんが
2022/01/22
に
編集
をしました。
ログインしてコメントを投稿する