2748NEC MC-4080 について (メモ)
ハードオフから20個仕入れたものの、ネット上に情報がないのでメモ
今回手に入れたのは初期型です。
何度かマイナーチェンジされてるようで、ネット上では別のトランジスタが使われているとの情報もあります。
データシートはどこに載っているか
NEC エレクトロニクス・データブック '69
詳しい電気特性についてはデータブック参照。
図書館向けデジタル化資料送信サービスから入手可能。お近くの図書館へGO
資料ID 000001140721.
用途
ステレオ(レコートプレーヤ)・テレコ(テープレコーダ)での前置増幅・プリアンプ。
定格
- 電源電圧は12Vまたは24Vのどちらかを想定されている。最大定格は28V。
- 入力電圧の最大定格は1V。
- 回路電流の最大定格は5mA
使用されているトランジスタはSS9014D。SS9014Dの最大定格・
- ,,
- (Dランク)
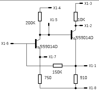
よしんばMC-4080が故障して交換品が無い場合は、下の等価回路で示した抵抗とSS9014Dのスペックに似た代替品を用意すると良いかもしれません。
ICの等価回路
エミッタ接地のトランジスタが2個
使用されているトランジスタはフェアチャイルド製SS9014D. TO-72パッケージ。
抵抗値はデータシートに無かったため実測値。
これと同じ回路が2つ入っている。ピンアサインは上と下で同じ。ちなみに3個(上と下があるので6回路)測定したが、抵抗値誤差は5%以内に収まる。
データシート記載の回路例
回路シミュレータにデータシート記載の回路例を書きました。12Vの電源電圧, 50mV 200Hzの入力信号に対してどのような増幅を行うのか、他の電圧や周波数ではどうなのかについてを簡易的に見ることができます。
1
投稿者の人気記事

-
sanguisorba
さんが
2021/04/17
に
編集
をしました。
(メッセージ: 初版)
-
sanguisorba
さんが
2022/01/22
に
編集
をしました。
ログインしてコメントを投稿する