837手動式 半導体レス 3相ブラシレスモータ用インバータ
手回しで3相交流を作るインバータです。
およそ大抵の3相ブラシレスモーターを回すことができます。
極低速で電気角60度毎の動作を確認することができます。
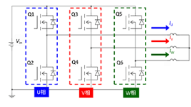
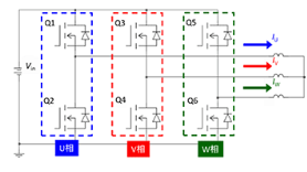
よくある3相インバータの回路の3相分のトランジスタハーフブリッジを
リミットスイッチで構成しトランジスタや電子回路なしに3相モータを回せるようにしています。
モータ制御講習の補助模型として作ったモノです。
小さなドローン用のモータからHV実車用のモータまで同様に回せます。
大事なのはスイッチングタイミング制御のカム。
これが電気角60度毎に電流ベクトルを60度づつ回転させます。
こちらは小さなドローンのモータを回した例です。
手回し何回転でモータの軸が1回転するか調べることで
磁石の極対構成が不明なモータの極対数がわかります。
https://twitter.com/shinichi_nin/status/1687765265105420288
もう1例、上記よりちょっと大きなドローン用モータ回したものです。
0.3Vx0.4A・・・0.12W程度での超スロー回転です。
https://twitter.com/shinichi_nin/status/1687763290972442625
こちらはHVの実車のモータを回してみたモノです。
制御的にはPWM制御ではなくPAM制御で回した場合に相当します。
https://twitter.com/shinichi_nin/status/1688546529471254529
ドローンのモータの数万倍の出力が出すことができルモータですが
無負荷でゆっくり回すだけなら、、、出力比ではドローンモータよりはるかに効率が
いいのでさほど変わらない電力で 回すことができます。
また、そのHV自動車のモータは分布巻きで相単位スロットがわからないし、
磁石も見えないですが、手回し4回転でモータの軸が1回転してることから
磁極構成は4極対であることがわかります。
電動化したものはこちらです
https://elchika.com/article/7a127cbb-3762-4475-84cb-855b2e6e0791/
投稿者の人気記事




-
n-shinichi
さんが
2023/08/08
に
編集
をしました。
(メッセージ: 初版)
-
n-shinichi
さんが
2023/08/08
に
編集
をしました。
-
n-shinichi
さんが
2023/08/10
に
編集
をしました。
-
n-shinichi
さんが
2023/08/10
に
編集
をしました。
-
n-shinichi
さんが
2023/08/10
に
編集
をしました。
-
n-shinichi
さんが
2023/08/12
に
編集
をしました。
-
n-shinichi
さんが
2023/08/12
に
編集
をしました。
-
n-shinichi
さんが
2023/08/12
に
編集
をしました。
-
n-shinichi
さんが
2023/08/15
に
編集
をしました。
-
n-shinichi
さんが
2023/08/15
に
編集
をしました。
ログインしてコメントを投稿する